Описание процесса ИК пайки
Принцип работы инфракрасной паяльной станции заключается в воздействии сильными волнами длиной 2-7 мкм на элемент. Устройство для пайки самодельными ИК паяльными станциями как самодельными, так и приобретаемыми, состоит из нескольких элементов:
- Нижний нагреватель.
- Верхний нагреватель, отвечающий за основное воздействие на материалы.
- Конструкция держателя платы, размещенная на столе.
- Контроллер температуры, состоящий из программируемого элемента и термопары.
Длина волны, напрямую зависит от температурных показателей источника энергии. Материалы в различной форме подвергаются пайке с помощью ИК станции, сделанной своими руками, существуют основные параметры передачи энергии, непрозрачность, отражение, полупрозрачность и прозрачность. Перед изготовлением ИК паяльной станции своими руками нужно понимать, что существуют некоторые недостатки данных систем:
- Разная степень поглощения энергии компонентами ведет за собой неравномерный прогрев.
- Каждая плата ввиду различных характеристик требует подбора температур, в противном случае, компоненты перегреваются, выходят из строя.
- Наличие «мертвой зоны», где инфракрасная энергия не достигает требуемого объекта.
- Обязательное условие защиты поверхностей остальных элементов от испарения флюсов.
Нагревание происходит за счет передачи тепла к монтажной плате. Тепловое воздействие инфракрасной станцией происходит поверх детали, температуры бывает не достаточно, поэтому конструкция подразумевает нагрев нижней части. Нижняя часть состоит из термостола, процесс пайки может осуществляться посредством спокойного инфракрасного излучения, либо потоком воздуха.
Описание процесса ИК пайки
Принцип работы инфракрасной паяльной станции заключается в воздействии сильными волнами длиной 2-7 мкм на элемент. Устройство для пайки самодельными ИК паяльными станциями как самодельными, так и приобретаемыми, состоит из нескольких элементов:
- Нижний нагреватель.
- Верхний нагреватель, отвечающий за основное воздействие на материалы.
- Конструкция держателя платы, размещенная на столе.
- Контроллер температуры, состоящий из программируемого элемента и термопары.
Длина волны, напрямую зависит от температурных показателей источника энергии. Материалы в различной форме подвергаются пайке с помощью ИК станции, сделанной своими руками, существуют основные параметры передачи энергии, непрозрачность, отражение, полупрозрачность и прозрачность. Перед изготовлением ИК паяльной станции своими руками нужно понимать, что существуют некоторые недостатки данных систем:
- Разная степень поглощения энергии компонентами ведет за собой неравномерный прогрев.
- Каждая плата ввиду различных характеристик требует подбора температур, в противном случае, компоненты перегреваются, выходят из строя.
- Наличие «мертвой зоны», где инфракрасная энергия не достигает требуемого объекта.
- Обязательное условие защиты поверхностей остальных элементов от испарения флюсов.
Нагревание происходит за счет передачи тепла к монтажной плате. Тепловое воздействие инфракрасной станцией происходит поверх детали, температуры бывает не достаточно, поэтому конструкция подразумевает нагрев нижней части. Нижняя часть состоит из термостола, процесс пайки может осуществляться посредством спокойного инфракрасного излучения, либо потоком воздуха.
Применение и устройство
Инфракрасный паяльник используется в основном при условиях отсутствия доступа к заменяемым компонентам. Применяется при замене мелких деталей, основным достоинством является отсутствие нагаров и прочих отложений, как при работе обычным паяльником, а также малая возможность повредить соседние элементы. Для домашнего использования возможно изготовить паяльник своими руками, используя прикуриватель от автомобиля.

Инфракрасная паяльная станция промышленного производства
Работа устройства происходит при питании 12 вольт, такое напряжения возможно получить путем использования преобразователя или не нужного блока питания для компьютера.
Изготовление
Перед сборкой паяльной станции, извлекается из корпуса прикуривателя нагревательный элемент. К контактам питания присоединяются провода питания, к центральному проводу возможно подвести медный провод с изоляцией. Сделать паяльник не составит большого труда, достаточно изолировать соединение на расстоянии от нагревательного элемента, возможно использовать термоусадочную трубку.

Термоусадочная трубка
Корпус производится из тугоплавкого материала. Возможно воспользоваться нерабочим паяльником или приобрести кусок стали. Необходимо следить за отсутствием соприкосновения проводов
Важно понимать, что подобного рода устройство используется при незначимых работах, так как температурные пороги, другие параметры не контролируются
Описание процесса ИК пайки
Принцип работы инфракрасной паяльной станции заключается в воздействии сильными волнами длиной 2-7 мкм на элемент. Устройство для пайки самодельными ИК паяльными станциями как самодельными, так и приобретаемыми, состоит из нескольких элементов:
- Нижний нагреватель.
- Верхний нагреватель, отвечающий за основное воздействие на материалы.
- Конструкция держателя платы, размещенная на столе.
- Контроллер температуры, состоящий из программируемого элемента и термопары.
Длина волны, напрямую зависит от температурных показателей источника энергии. Материалы в различной форме подвергаются пайке с помощью ИК станции, сделанной своими руками, существуют основные параметры передачи энергии, непрозрачность, отражение, полупрозрачность и прозрачность. Перед изготовлением ИК паяльной станции своими руками нужно понимать, что существуют некоторые недостатки данных систем:
- Разная степень поглощения энергии компонентами ведет за собой неравномерный прогрев.
- Каждая плата ввиду различных характеристик требует подбора температур, в противном случае, компоненты перегреваются, выходят из строя.
- Наличие «мертвой зоны», где инфракрасная энергия не достигает требуемого объекта.
- Обязательное условие защиты поверхностей остальных элементов от испарения флюсов.
Нагревание происходит за счет передачи тепла к монтажной плате. Тепловое воздействие инфракрасной станцией происходит поверх детали, температуры бывает не достаточно, поэтому конструкция подразумевает нагрев нижней части. Нижняя часть состоит из термостола, процесс пайки может осуществляться посредством спокойного инфракрасного излучения, либо потоком воздуха.
Оптимизация температуры на разных стадиях ИК пайки
ИК паяльное оборудование имеет два нагревательных элемента. Первый расположен под платой и выполняет предварительный нагрев до 100 градусов Цельсия. Второй излучатель (верхний) подает сфокусированное тепло на плату до показателей плавления припоя, приделы излучения составляют около 260 градусов.
Оптимизация скорости нагрева зависит от мощности имеющихся нагревателей, их расположения относительно платы, интенсивности и локальности тепловой подачи. Чтобы оптимизировать температуру инфракрасного нагрева следует соблюдать некоторые правила проведения отдельных этапов пайки.
Первым этапом работы ИК паяльного оборудования после установки платы есть предварительное нагревание. Основная его функция это предотвращение резкого теплового удара на электронные элементы и печатные платы. На данном этапе также происходит испарение растворителя находящегося в паяльной пасте. Разница температуры предварительного нагрева и температуры излучаемой в процессе пайки не должны составлять более 100 С.
Стабилизационный этап важен для активации флюса и удаления влаги из пасты. Увеличение температуры осуществляется в очень медленном режиме, пока все элементы платы не будут прогреты до одинаковых показателей. Здесь происходит удаление оксидной пленки с поверхности пайки. Период прохождения стабилизации составляет не больше 2 минут при этом рост температуры должен превышать 0,6 С/с.
На этапе оплавления создается температура плавления паяльной пасты и формируется соединение пайки. Для надежной пайки соединений температура должна быть на 40 градусов выше точки плавления пасты. Длительность процесса не более 2 минут. Скорость пайки 1-3 С/с.
Стадия охлаждения должна происходить быстро, чтобы в процессе сформировалось интерметаллидное соединение, но не быстрее 6 С/с. Излишняя скорость приводит к напряжениям термического характера и повреждениям компонентов объекта пайки. Режим, при котором происходит охлаждение выбирается зависимо от конструктивных особенностей пайки, размеров платы и ее типа.
Руководствуясь изложенным материалом, читатель может определиться с выбором необходимого типа паяльного инфракрасного оборудования и понять принципы оптимизации режимов пайки. Качество пайки напрямую зависит от качества используемого ИК оборудования и грамотного подхода к работе.
Способ №2. Бесконтактная паяльная станция
Как показывает практика, далеко не всегда нагревом жала можно воздействовать на любые элементы платы, к примеру, к тем же smd деталям крайне трудно подобраться. В таких ситуациях используется паяльный фен, направляющий поток горячего воздуха на ножки.
Несмотря на схожесть, переделать обычное устройство для сушки волос в инфракрасную станцию не получится, так как рабочая температура должна достигать 500 — 800ºС. Для сборки такой паяльной станции вам понадобится компрессор для подачи воздуха, нагревательный элемент, корпус для элементов управления, сопло, понижающий трансформатор, выпрямитель, блок управления скоростью подачи воздуха.
Принципиальная схема такой паяльной станции приведена на рисунке ниже:
Рис. 2: электрическая схема термофена
Принцип действия паяльной станции основан на воздействии инфракрасного излучения от нагревательного элемента непосредственно в область пайки. Компрессор подает воздух от нагревателя через сужающееся сопло, создавая эффект турбины, производительность насоса желательно обеспечить в пределах от 20 до 30 л в минуту.
При изготовлении инфракрасной станции существует два способа для ее выполнения — ручная модель или стационарная. Первый вариант подходит в тех ситуациях, когда корпус ИК паяльной предвидится относительно небольших размеров и будет удобно помещаться в руке. Второй способ подойдет для крупногабаритных приспособлений, в которых станция установлена неподвижно, а заготовка перемещается под соплом.
Рассмотрим такой пример изготовления паяльной станции бесконтактного типа:
- Намотайте нагревательную спираль из нихромовой проволоки, в данном случае используется диаметром 0,8мм. Можете взять и другой вариант, к примеру, от электрической плиты.
Рис. 3: намотайте нагревательный элемент
- Для намотки используйте жесткий каркас, укладывайте витки вплотную, но не делайте нахлестов и следите за тем, чтобы не закоротить намотку. Чем меньше диаметр проволоки у вас получится, тем эффективнее будет идти нагрев, достаточно будет спирали с наружным диаметром 8 – 10 мм.
- В данном примере изготавливаются несколько спиралей, соединяемых параллельно для повышения температуры нагрева.
- Установите полученную спираль на цилиндрический каркас из негорючего материала.
Рисунок 4: поместите спирали на диэлектрический элемент Предварительно удалите с каркаса все лишнее но если он уже готов, можете сразу осуществлять намотку.
- Изготовьте металлический стакан для нагревательного элемента, в этом примере изготовления паяльной станции мы сделаем его из корпуса пальчиковой батарейки.
- Из куска телескопической антенны от радиоприемника сделайте сопло, один край которого нужно расплескать и надеть на шайбу.
Рис. 5. Наденьте шайбу
- Прикрутите шайбу сопла к стакану из батарейки при помощи соразмерных болтов.
Рис. 6: прикрутите сопло к стакану
- Поместите внутрь стакана между спиралью и стенками термоизоляционный материал, чтобы предотвратить перегревание наружных деталей.
- Соберите диодный мост из четырех полупроводниковых элементов, если под рукой уже есть готовая сборка, можете использовать и ее.
- Изготовьте блок питания из понижающего трансформатора и выпрямительного агрегата, ваша задача получить на выходе низкое напряжение для снижения вероятности поражения электротоком. В рассматриваемом примере получается около 10 – 15В, мощность трансформатора составляет 150Вт. Аналогичная модель может браться с готового оборудования.
- Корпус для паяльной станции мы изготовим из обычной пластиковой бутылки. В данном примере нам нужен прозрачный пластик, так как в нем легче подключать блок питания, нагнетатель воздуха и плату управления.
Рис. 7. соедините все элементы в корпусе
- Подключите куллер и нагревательную спираль к выводам блока питания, подсоедините регулятор напряжения.
Рис. 8. установите кулер
Регулировка мощности теплового потока может осуществляться либо по скорости подачи воздуха, либо по уровню напряжения, подаваемого на нагреватель.
Подключите шнур питания к выводам трансформатора – паяльная станция готова к использованию.
Рис. 9: паяльная станция готова
Инфракрасная
Инфракрасную станцию также вполне реально изготовить самостоятельно. Для этой цели понадобится:
- паяльник;
- блок питания от ПК;
- автомобильный прикуриватель.
Блок питания можно использовать старый. Понадобится только одна рабочая линия с напряжением в 12 вольт. Особой мощности не требуется. От паяльника понадобится только деревянная ручка. Ее можно использовать и от любого другого прибора или изготовить самостоятельно. Первым делом необходимо разобрать прикуриватель, чтобы добраться до нагревательного элемента, который находится внутри. На фото показано, как он выглядит.

Следующая задача заключается в том, чтобы закрепить ручку от прикуривателя на рукоятке от паяльника. Для этого можно воспользоваться клеем. Далее необходимо просверлить отверстие в ручке от прикуривателя, чтобы через отверстие можно было подвести питающие провода. Когда провода подведены, можно собрать модуль прикуривателя с керамической проставкой, как показано на фото ниже.

Закрепить всю конструкцию на рукоятке можно с помощью дополнительной металлической пластины. Когда все готов провода подключаются к блоку питания на вывод в 12 вольт. Готовый вариант мини-станции показан ниже на фото.

Станция получается компактной, поэтому ее легко транспортировать и можно запитать от любого источника, который способен выдать 12 вольт постоянного тока. Это может быть даже аккумулятор, поэтому станция получилась полностью автономной. Если собрать небольшой блок из литий-ионных аккумуляторов 18650 с преобразователем на 12 вольт и установить контроллер зарядки, то цены такой станции не будет.

Нагрев мини-станции происходит практически моментально, а максимальная температура может превышать 400 градусов. Выпайке поддаются небольшие элементы, например, конденсаторы и транзисторы, как видно на фото ниже.

Расстояние до платы при пайке должно быть не меньше 10 мм. Кроме миниатюрных SMD элементов, станция с легкостью справляется и с микросхемами в корпусах SOEC. На фото ниже видно прямое тому доказательство.

Также без особых сложностей можно выпаять и более крупные компоненты. Станцию можно немного доработать, чтобы получился удобный вариант для работы. Одним из модулей, который легко использовать дополнительно является диммер, как видно на фото ниже.

Его предназначением является возможность регулировка мощности паяльной станции. В качестве источника питания можно использовать не блок питания от ПК, а блок питания для светодиодной ленты, как видно на фото ниже. Его легко приобрести в любом магазине электротоваров. Общая мощность станции составляет примерно 50 Вт, сила тока, которая потребуется для ее работы достигает 6 ампер. Это стоит учитывать при выборе блока питания.

Минусом такой паяльной стации можно считать отсутствие контакта с элементом, который подвергается пайке. Из-за этого нет возможности убрать излишек припоя, а также невозможно поправить деталь, если она была спозициоинрована со смещением, а припой еще не остыл. Желательно предусмотреть отдельную кнопку включения на рукоятке, которая предотвратит перегревание прикуривателя. Во время работы такой станцией, необходимо держать манипулятор под углом в 90 градусов к элементу, который паяется. Это даст возможность воздействовать на него всей областью нагревателя равномерно.

Дополнительно для успешной пайки мелких элементов понадобится набор пинцетов. Их губки обязательно должны быть острыми, чтобы было легче захватывать миниатюрные компоненты. Кроме того, не обойтись без устройства, которое называется «третья рука». Есть множество его вариаций, но основное предназначение везде одинаковое. Оно заключается в удержании припаиваемых проводов или целых микросхем. Чтобы было легче рассмотреть мелкие компоненты, необходимо хорошее увеличительное стекло или микроскоп. Неотъемлемой частью инструментария мастера является хорошее освещение. Желательно, если оно будет основано на светодиодах, которые не имеют мерцания при работе. Во время пайки с использованием станции не обойтись без флюса. Это специальный раствор, который улучшает адгезию и очищает металл для пайки. Вариант инфракрасной паяльной станции с нижним подогревом также можно собрать самостоятельно. Об этом есть видео ниже.
BGA QUICK IR2005

Данное универсальное решение, паяльной ремонтной станции IR2005 от производителя QUICK является очень компактным, и высокоточным для осуществления инфракрасной пайки, монтажа и демонтажа, а также контактной пайки и демонтажа при помощи паяльной станции с индукционным нагревом. Станция является законченным решением решение, как для производственных нужд, так и для ремонта современной электроники и устройств с высокой плотностью монтажа элементов на печатной плате (компьютеры , мобильные телефоны, периферия). Станция имеет как и многие другие, 10 термопрофилей, любой из которых при возникновении необходимости можно перепрограммировать, за счет чего будет сэкономлено время на монтаж и демонтаж различных типов компонентов. Станция имеет систему управления апертурой верхнего ИК излучателя, что позволяет точно устанавливать площадь основного прогрева, т.е. осуществлять прогрев только нужного компонента или группы компонентов, при этом остальные компоненты интенсивному разогреву не подвергаются, это предупреждает их возможную деградацию. Станция пригодна для высокотемпературной пайки (например, для пайки без использования свинца), а также для работы с платами, обладающими большой теплоемкостью.
Основные функции:
• Программируемая система управления параметрами пайки, память на 10 режимов, пароль • Два инфракрасных излучателя: нижний (135?250mm) и верхний (60?60mm) с регулируемой по осям X и Y апертурой 20~60mm • Высокая мощность ИК излучателей: верхний 120W?6=720W, нижний 400W?2=800W • Нагрев на длинах волн 2-8µm • Максимальный размер печатной платы для монтажа: 300mm?300mm • Микропроцессорное управление и ультрамалоинерционные нагреватели обеспечивают максимальную термостабильность • Инфракрасный температурный датчик: 0…300°C • Лазерный светодиодный указатель для подсветки точки в центре рабочей зоны • Встроенный модуль контактной пайки и выпаивания с микропроцессорным управлением и паяльником с индукционным нагревом, мощностью 60W • Универсальная рамка-держатель для миниатюрных и сложнопрофильных плат, в комплекте • Программное обеспечение IRSoft, в комплекте • Вентиляторы верхнего и нижнего охлаждения, в комплекте • Устройство прецизионной установки микросхем PL2005 (опция) • Камера RPC2005 для визуальной инспекции пайки с разрешением 480 линий, PAL, и светодиодной подсветкой с регулируемой яркостью (опция)
Инфракрасная ремонтная паяльная станция
Металлический корпус своими руками, самый простой способ. Инфракрасная паяльная станция
Наконец то начал сборку инфракрасной паяльной станции, ну и как пологается решил начать сборку с корпуса. Долго думал с чего можно взять корпус и как обмануть судьбу но не получилось. Комповские корпуса слишком высокие и в них куча ненужных отверствий. Електро щитовые тоже не совсем подходят. Решил собрать сам. Заказал метал алюминий 1.5мм толщиной, и уголки 15*15*1.5 5метров. И начал все это дело резать и скручивать. Конечно неожидал я таких трудозатрат, все из за отсутствия инструмента ну и конечно же навыка слюсарного дела. Но все же я это сделал.
Есть пару вопросов к знающим. 1. Как лучше закрепить керамические нагреватели в корпусе? с чего сделать огранку места реза отверствия под нагреватели?
2. Чем лучше и легче будет вырезать отверствие в верхней крышке 250х250мм?
Другие публикации от RGB
- Реболлинг в домашних условиях, ремонт плат, и все что нужно для пайки 0
- Светодиодный светильник своими руками 0
- Ламповый предусилитель с Китая на советских 6Ж1П Сборка и доработка DIY своими руками 0
- Инфракрасная паяльная станция, своими руками. 0
- BM 800 за 1500 рублей! Покупать или нет? Распаковка и обзор. Вся правда и тест. 0
3 Комментария 3
Инструмент самый обычный-эл.лобзик, шуруповерт, ушм, напильник )). Для обработки отверстий для крепления нагревателей достаточно… Я пока два тэна поставил третий тэн не пришол.Но разметку сделал для трех, для видеокарт и небольших плат достаточно.
- igorek73
- 31 января 2019, 23:07 ответил на комментарий igorek73
Каким бы не был богатым опыт специалиста, и как бы он не был уверен в себе, иногда ему нужно посоветоваться с кем-то. Общение на просторах интернет-сети уже давно стало привычным нам. Разнообразные пользователи сети – будь то профессионал или много знающий любитель – могут выставить в сеть лайфхаки (простые полезные советы на разные темы), которые могут быть с пользой применены для вашего дома.
Какие плюсы пользования ресурсами форума?
- Постоянный поток интересной информации о новых идеях построек.
- Простые и полезные советы для строительства.
- Возможность общения с интересными людьми, опытными мастерами своего дела.
- Рекомендации о выборе инструмента или материалов.
- Также приятным плюсом является отсутствие рекламы, ведь пользователи такие же потребители, как и вы сами.
Бюджетная инфракрасная паяльная станция своими руками – возможно ли это
Не каждый может запросто заплатить 20000 руб. и более за подобное оборудование. А если к тому же паять требуется нечасто, то смысла приобретать заводскую ПС и вовсе нет. Попробуем рассмотреть вариант, при котором у вас в руках окажется бюджетный инфракрасный паяльник, сделанный своими руками.
| Иллюстрация | Описание действия |
| Нам потребуется обычный автомобильный прикуриватель. Разбираем его, оставив только спираль на шпильке. Она станет основой нашего ИК паяльника. |
| Разбираем паяльник, купленный в магазине за 100 руб. Такое изделие использовать по прямому назначению нельзя, а вот для нашей цели оно подходит идеально. Оставляем изоляторы и, присоединив спираль прикуривателя, устанавливаем получившуюся конструкцию внутрь корпуса паяльника. | |
| Нужно приварить к корпусу паяльника спираль прикуривателя. Если нет возможности воспользоваться подобным аппаратом, можно использовать «холодную сварку». |
| Вот так производится работа нашей инфракрасной паяльной станции. Многие могут сказать, что необходим регулятор напряжения, однако, это заблуждение. Редакция Seti.guru пришла к выводу, что проще и удобнее для регулировки интенсивности нагрева приближать или отодвигать спираль. Но… | |
| …если Вам кажется, что регулировка необходима, можно включить в схему вот такой диммер. Не возбраняется и установка кнопки включения на ручку паяльника, но в этом случае в схему придётся включить реле. В противном случае кнопка моментально сгорит. |
Самодельная паяльная ИК станция своими руками – это очень просто, как вы могли убедиться.
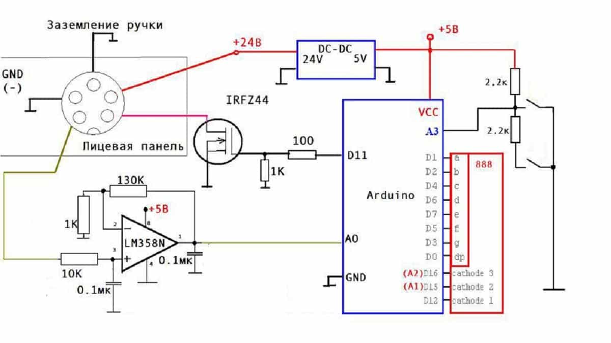
Способ №3. Автоматическая паяльная станция на базе Ардуино
Такая паяльная станция собирается на базе микроконтроллера Arduino, который выполняет роль логического элемента, обрабатывающего данные от индикатора температуры и регулирующего мощность нагрева жала. Отличительной особенностью такого устройства является полная автоматизация контроля за температурой – вам достаточно задать ее и дождаться нагревания. Пример схемы для сборки приведен на рисунке ниже:
Рис. 10. схема паяльной станции на базе ардуино
Чтобы собрать такую станцию вам понадобится:
- сама плата Ардуино для управления работой паяльной станции;
- цифровое табло для отображения температуры нагрева;
- микросхему для программирования паяльной станции;
- транзистор, стабилизатор и кнопки, магазин резисторов и емкостных элементов.
Для сборки такой паяльной станции воспользуйтесь приведенной схемой, в качестве нагревательного элемента будет выступать жало обычного паяльника с датчиком температуры, которые подключаются к собранной схеме.
К недостаткам такого устройства следует отнести его сложность, из-за чего начинающие радиолюбители могут попросту не собрать рабочую версию с первого раза. Также для пайки используемых в автоматической станции элементов вам понадобиться специальный паяльник и предварительные навыки работы с ним, чтобы не испортить детали.
Базовые правила при работе с паяльной станцией
В целом, использование такого оборудования не выглядит сложнее, чем работа обычным паяльником. Наоборот, станция обеспечивает удобство и комфорт пайки. Можно выявить некоторые соответствия между конкретными видами устройств и видами проводимых работ:
- Контактная станция позволяет осуществлять навесной монтаж и работать с маленькими SMD-деталями. В оборудовании можно менять жало для точности процедуры и аккуратно регулировать температуру нагрева этой насадки.
- Термовоздушная паяльная станция тоже подойдет для навесного монтажа, но основной ее профиль работы — SMD-монтаж. Отдельные выводы компонента при этом нет нужды прогревать: деталь сразу вся нагревается, и элемент без проблем удаляется.
- Смешанное оборудование — это отличное решение для комплексных работ. С феном и паяльником можно приобретать станции для ремонтных центров и сервисов технического обслуживания.
- Инфракрасная станция нужна для сложных ремонтных работ. Обычно речь идет о восстановлении дорогостоящих устройств. К примеру, с таким оборудованием можно выпаять чип с материнской платы, при этом не нанося никакого вреда ни элементу, ни самой поверхности.
Существуют также элементарные правила работы в процессе пайки. Например, нельзя выставлять наибольшую температуру нагрева без особой необходимости. Если такое сделать в контактной паяльной станции, жало перегреется и придёт в негодность, как и нагревательный элемент.
У термофена в результате перегрева также повредятся нагревательные детали.
Мастера советуют также использовать качественный флюс. Это актуально при работе с любым видом станции, потому что флюс низкого качества медленно разрушает дорогое жало и вредит здоровью работника. Не нужно экономить на флюсе, и лучше использовать его всегда чуть больше, чем требуется в данный момент. То же самое касается и припоя: с ним лучше не жадничать.
Без острой необходимости также не стоит устанавливать максимальную мощность на термофене. Дело в том, что сильный воздушный поток способен сдуть с платы важные элементы, особенно если они маленькие по размеру и легкие по весу.
Некоторые из радиолюбителей занимаются самостоятельной модификацией своих устройств. Однако если это ваша первая паяльная станция и вы еще плохо разбираетесь в ее технической начинке и в приборах вообще, лучше воздержаться от подобных процедур, чтобы не навредить оборудованию.
Выводы
Самый главный вывод, который можно сделать после изучения паяльной станции, — работа с таким оборудованием приятная, удобная и понятная
Устройство обеспечивает безопасность и комфорт пайки, если соблюдать минимальные правила осторожной работы. Помните всегда о том, что максимальная температура нагрева негативно сказывается на состоянии элементов и сокращает их эксплутационный срок
Экстремальный режим работы паяльной станции никак не влияет на расширение ее функционала, а только лишь перегружает оборудование.
Эксплуатация различных видов паяльного оборудования
Ввиду разнообразия разновидностей паяльного оборудования подобрать прибор для пайки, максимально удовлетворяющий стоящим задачам, бывает непросто. Собираясь приобрести ту или иную модель, советуем первым делом изучить их технические возможности и рекомендованную производителем область применения.
Домашние мастера, которым приходится выполнять мелкие операции паяльником, часто оказываются в ситуации, когда происходит перегрев чувствительных элементов прибора, но ничего поделать с этим не могут из-за отсутствия возможности правильно настроить температуру рабочего жала.
Тем, кто сталкивается с этим достаточно часто, обязательно стоит подумать о том, чтобы приобрести именно паяльную станцию с феном взамен обычного паяльника.
Такие станции поставляются с блоком питания, который позволяет по своему усмотрению настраивать напряжение, а также температурный режим прибора.
Однако не стоит рассчитывать, что после покупки паяльной станции с системой термостабилизации вы сможете обеспечить для себя комфортные условия работы. Прежде чем остановить выбор на определенной модели, необходимо сравнить все предлагаемые станции по такой характеристике, как мощность. Особенно об этом нужно побеспокоиться мастерам, которые собираются использовать тугоплавкие припои.
Если этому моменту не уделить внимание, то во время работы такой станцией могут возникнуть следующие негативные последствия:
- вследствие превышения допустимой температуры пайки компоненты схемы начнут перегреваться;
- из-за сильного перегрева значительно уменьшится срок службы жала паяльника;
- резко сократится долговечность нагревательного элемента;
- постоянный перегрев дорожек на плате;
- низкое качество пайки.
Если подобные ситуации приходится наблюдать довольно часто, то стоит подумать о замене используемого оборудования на специальные устройства для бессвинцовой пайки. Они не только обладают более высоким показателем мощности, но и могут быть использованы и для свинцовой пайки.




























































