Виды косилок
Мотокультиваторы стали незаменимыми помощниками в работе на ферме и приусадебном участке. Добиться универсальности применения техники помогает большой выбор навесного оборудования.
Для мотоблока Салют 5 существует несколько типов дополнительных устройств, среди которых выделяют:
- косилки различного типа;
- снегоуборщики;
- картофелесажалки;
- прицепы и плуги.
Косилки считаются самым востребованным типом навесного оборудования. Используют их в качестве газонокосилок, для заготовки сена и т.д.
В этом видео вы узнаете подробнее о косилке для мотоблока:
Различают такие типы изделий:
- роторные;
- сегментные;
- терминатор.
Рассмотрим каждый из видов изделий в отдельности.
Газонокосилка
Такие изделия используются на приусадебных участках довольно часто. Подбирая газонокосилку, владелец учитывает следующие моменты:
- Площадь обрабатываемой поверхности (участка, газона).
- Особенности рельефа (существуют агрегаты для работы в труднодоступных местах).
- Тип газона (для жесткой травы предусмотрены специальные изделия).
Газонокосилка для мотоблоков Салют (моделей 100 и 5) представляет собой приспособление, состоящее из опорной рамы и режущей поверхности. Обычно оснащается одним колесом и работает за счет мощности мотокультиватора.
Газонокосилок бывает несколько типов
Сенокосилка
Приспособление отличается тем, что, помимо скоса травы, способно укладывать ее в валки для удобства заготовки сена.
Выбирают сенокосилки для культиваторов по тем же параметрам, что и газонокосилки.
Для получения качественного сена приспособления способны обрабатывать высокую траву, а также кустарник. При правильном выборе оборудования устройство с сенокосилкой способно заготовить сезонный запас сена для одной особи крупного скота всего за сутки.
Сегментная
Сегментная косилка для мотоблоков Салют – универсальная конструкция, способная обрабатывать участки земли с различным рельефом.
Конструктивно – это рама, которая крепится в передней части мотоблока, одно колесо (ему передается импульс от мотокультиватора), два бруса из металла с ножами, расположенными между ними. Регулирование высоты скошенной травы происходит посредством специальных салазок, размещенных по бокам.
Роторная
Роторные косилки используются для обработки самых труднодоступных мест. Работает она за счет мотоблока (ходовая часть мотокультиватора приводит в действие косилку). Представляет собой аппарат с одним колесом и дисками с режущими поверхностями (расположены они между опорными брусками).
Терминатор
Косилка для культиватора Терминатор отличается управлением высотой среза и наличием измельчителя травы, что делает ее полноценным изделием для работы с газонами любого типа. Управление вынесено на руль мотоблока.
Агрегат укомплектован отличными прочными ножами, благодаря которым срезается не только молодая трава, но и кустарники, сорняки и некоторые молодые деревья.
Это интересно: Все о мотокультиваторах «Салют»
Косилка «Терминатор»

Роторная косилка «Терминатор»
«Терминатор» (КМ-0.5) является косилкой роторного типа и крепится на мотоблок «Салют 100» и на некоторые другие модели. Может регулировать высоту скашивания, а также измельчает траву.
Технические характеристики
| Скорость | От 0,5 до 4 км/ч |
| Производительность | 0,2 Га в час |
| Ширина прокоса | 50 сантиметров |
| Скорость вращения режущих частей | От 1800 до 2400 оборотов |
| Максимальная высота скашиваемой травы | До 1 метра |
| Масса косилки | 35 килограмм |
Преимущества:
- натяжное устройство в этой модели регулируется на руле мотоблока;
- прочные ножи «Терминатора» изготовлены из закаленной током высокой частоты стали;
- мотоблок «Салют 100» оснащенный таким навесом может косить даже кустарники и мелкие деревца.
Недостатки:
- большая масса, «Терминатора» сложно транспортировать и работать им;
- небольшая ширина прокоса.
Роторные сенокосилки и цена на них
Роторную косилку рекомендуем купить аграриям, которым необходимо косить сухостой диаметром менее 100 мм, густую растительность или жесткие остатки подсолнечника или кукурузы. Но справится роторная модель и с уходом лужайки или небольшим участком в саду. Агрегатируется к приводу мотоблока Нева спереди или прицепным методом. Прицепные мульчируют траву, поэтому не подходят для аграриев, которым необходима заготовка травы на сено.
Работа роторной косилки осуществляется от ременного вала мотоблока. Подходит к мотоблокам «Нева» на бензиновом и дизельном ходу, как на видео. Для крепления к последним в комплектацию входит специальный переходник. Среди различных роторных косилок для «Нева» выделяются калужская «Заря» и питерская КР-05. В зависимости от модификации на роторных косилках 1-2 рабочих дисков, у КР — 05 рабочий орган 1, «Заря» имеет 2 диска. На диске при помощи подвижного шарнирного соединения закреплены 4 ножа. Подвижный шплинт при движении диска позволяет ножам под воздействием центробежной силы развернуться и они срезают траву. У «Зари» диски вращаются навстречу друг к другу, ширина обработки лужайки больше. Расположена конструкция роторной модели на специальных салазках, они позволяют простым движением регулировать высоту среза травы. Скошенная растительность ровными валами распределяется по две стороны и ее легко собрать вилами.
Работать с роторной косилкой просто, но раз в сутки необходимо раскручивать угловые соединения и промазывать шестерни литолом или машинным маслом. Прослужит техника при должном уходе дольше.
Рассмотрим популярные сегментные модели для мотоблока «Нева» подробнее на видео и фото. На видео ниже можно увидеть, как работает техника на поле и вдоль дороги.
Роторная «Заря»
Официальный производитель роторной косилки «Заря» — «Кадви» — находится в Калуге. Но на рынке много самодельных и китайских моделей, выполненных по схемам производителя “Калужский двигатель”. Внешне они отличаются только по цвету — у калужской «Зари» он ярко-красный, как на видео. Но это не основное отличие. У китайских качество хуже, так как для изготовления используют низкокачественный материал.
Официальная «Заря» для мотоблока «Нева» показала себя в использовании хорошо. Китайские и самодельные косилки всего лишь подделки, хотя и среди них можно найти модели приемлемого качества.
Характеристика сенокосилки «Заря» для мотоблока «Нева» и цена на аналоги и лицензионную технику в таблице:
| ТХ «Заря» | Показатели |
| Производительность | 0,2 га/час |
| Максимальная скорость | 2-4 км/час |
| Ширина захвата | 800 мм |
| Скорость вращения рабочих органов | 2000-2400 об./мин. |
| Максимальная высота скашиваемой травы | 100 см |
| Вес техники | 35 кг |
| Цена на официальную модель/китайские аналоги | 12 500/11 700 руб. |
Купить дешевле можно напрямую у производителя в Калуге. Розничная цена выше на 10-15% и купить выгоднее оптом. Запасные части от отечественной модели подходят ко всем китайским аналогам, поэтому, в некоторых случаях, можно не переплачивать. Цена на б/у технику начинается от 5 000 руб., но не советуем приобретать технику старше 10 лет.
Роторная косилка КП -05
Официально КП-05 выпускают в СПб на заводе “Красный Октябрь”. Модель является официальной к мотоблоку «Нева» МБ-1 и МБ-2. Точных аналогов на рынке найти невозможно, но встречаются похожие косилки с низким качеством. Многолетний опыт и передовые технологии позволили производителю разработать оптимальную, функциональную и небольшую роторную косилку КП-05. Подробнее модель в работе, читатель может рассмотреть на видео.
Вес у техники меньший, чему у модели «Заря», поэтому КП-05 удобна для дачников и аграриев с небольшими личными участками. Справляется с любыми остатками культурных растений, кустарником, жесткой и густой травой. Мощность у крохи достаточная, чтобы справиться с жесткой растительностью.
КП -05 используют на неровной поверхности, так как рабочий орган в виде большого диска, легко подстраивается под любые неровности. Не боится косилка небольших камней и веток. Вокруг диска располагается металлический кожух, который защищает оператора от мелких частиц камней и растительности.
Роторная косилка КП-05
Характеристика КП-05 для мотоблока «Нева» МБ-1 и МБ-2 и цена в таблице:
| ТХ КП-05 | Показатели |
| Производительность | 0,15 га/час |
| Максимальная скорость мотоблока при работе | 2-4 км/час |
| Ширина захвата | 560 мм |
| Скорость вращения рабочих органов | 2300-2500 об./мин. |
| Максимальная высота скашиваемой травы | 100 см |
| Вес техники | 30 кг |
| Цена на официальную модель | 14 500 руб. |
Сравнение с другими брендами
Салют и Агат
С 2002 по 2012 гг. мотоблоки «Салют» собирались на (Гаврилов-Ям). Разногласия между предприятиями привело к прекращению сотрудничества, после чего «Гаврилов-Ямский машиностроительный завод» начал выпускать мотоблоки «Салют Агат» (затем просто «Агат») по тем же чертежам.
По заявленным техническим характеристикам «Агаты» практически идентичны «Салютам», даже внешне они выглядят почти одинаково. Основные отличия заключаются в деталях и процессе производства:
- «Салют» прекратил поставку деталей, включая собственные авторские разработки (например, редуктор), в результате чего машиностроительному предприятию пришлось использовать альтернативные варианты используемых деталей и узлов.
- Производство мотоблоков «Агат» больше не проходит под надзором и контролем газотурбинного завода.
- На некоторых моделях мотокультиваторов «Агат» устанавливаются двигатели, не используемые на «Салюте»: это как и отдельные модели, так и модели (например, Hammermann и Zongshen).
- Некоторые модификации Агата оснащаются дизельными моторами, что является существенным отличием от текущей полностью бензиновой линейки мотоблоков Салют.
Салют и Нева
Чаше всего производят сравнение «Салютов» с мотоблоками «Нева», т.к. эти две марки являются лидерами среди отечественных производителей. Выделим отличительные особенности каждого из них:
- Полностью шестеренчатый редуктор. На Неве есть цепная передача между верхними и нижними шестеренками. Плюс современные втулки и наличие дифференциала у Невы делают редуктор довольно ненадежным.
- У Невы больше ширина обработки, а у Салюта – глубина (хотя диаметр фрез меньше).
- Центр тяжести Салютов опущен, поэтому управлять им (например, при работе с плугом) легче и быстрее.
- Нева тяжелее, поэтому Салют более маневренный при работе на небольших участках. И обратный эффект – малый вес требует использовать дополнительные утяжелители при сложных операциях (пахота, окучивание, фрезерование и т.п.).
- Диаметр выходного вала редуктора у Невы больше.
- Обороты (частота вращения коленвала) у Невы выше.
- Даже спустя 5-7 лет на Салюте 5 скорости переключаются и не вылетают, а на Неве уже на 2-3 сезон начинает вылетать 2-я передача.
- У Салюта 5 есть передняя подножка, поэтому, в отличие от Невы, без удержания он не «ныряет» вперед и не заваливается на бок.
- На некоторых старых моделях Салюта использовались цельнолитые прорезиненные колеса.
- Отмечается более качественная культивация почвы «салютовским» мотоблоком (земля более рыхлая), т.к. ширина захвата ножей соседних фрез позволяет перекрывать друг друга.
Салют и Ока
Хотя оба мотоблока относятся к среднему весовому классу, «Ока» в среднем на 20 кг тяжелее «Салюта» и близка к тяжелым мотоблокам (90+ кг).
У мотокультиваторов «Ока» цепной редуктор, а «салютовский» совсем не включает цепи в передаче. При этом «Ока» имеет только передние 2 скорости против возможных 4 у «Салюта».
Модельный ряд устанавливаемых двигателей у мотоблоков во многом пересекаются, но на «Оке» чаще можно встретить китайские и даже отечественны моторы.
Мотоблоки «Ока» имеют крепления для установки навесного оборудования как сзади, так и спереди – у «Салют» спереди установлена подножка, а крепежный элемент для навески есть только сзади.
Салют и МТЗ
Мотоблоки «Салют» сложнее всего сравнивать с «МТЗ Беларус», т.к. последние относятся к тяжелому классу агрегатов, что значительно сказывается функциональных и технических особенностях и различиях моделей. Современные модификации Беларус-09Н более чем на 100 кг тяжелее любых моделей «Салютов».
Мотолькутиваторы МТЗ предназначены в первую очередь на очень сложную, объемную и продолжительную работу (например, вспашка большого участка целины). «Беларус» комплектуется двигателями, которые значительно мощнее по сравнению с «Салютом»: 9-13 л.с. против 6,5 л.с.
Из-за мощности моторов мотоблоки разливаются и по скорости передвижения и работе активных шкивов: МТЗ – до 11.4 км/ч вперед, Салют – только до 7.8 км/ч.
МТЗ Беларус имеет дифференциал, который позволяет удобнее разворачивать машину на небольших участках. У Салюта нет функции разобщения колес.
Помимо прочего, есть и другие отличия: МТЗ больше по размерам, имеет более широкий охват при культивации, но на меньшую глубину, топливный бак вместительней за счет более мощных двигателей.
Особенности работы
Данная техника пригодна для выполнения следующих работ:
- культивация грунта;
- вспашка земли;
- формирование борозд;
- рыхление и боронование;
- скос травы;
- уборка садовых дорожек;
- окучивание, посадка и сбор урожая;
- перекачка воды;
- транспортировка грузов;
- уборка территории от снега.
Для того чтобы пахать целлиные земли с помощью этой модели мотоблока, необходимо соблюдать несколько рекомендаций:
- Корку с верхнего слоя почвы нужно снимать на минимальных оборотах. Так вместе с коркой уходит дерн.
- Для поднятия на поверхность комков нужно переключиться на первую передачу на средних оборотах.
- При обработке грунта в несколько подходов следует менять направление. Рекомендуется работать на сухой земле.
Классификация
Отметим, что известны различные типы конструкций, и их перечень не ограничивается перечисленными тремя. Однако именно косилки роторного и сегментного типа, а также типа «повозка» являются не только самыми востребованными, но и без особых усилий доступны к сборке в домашних условиях. Каждый тип конструкции имеет свои особенности и свои достоинства и недостатки, существенные в одних условиях работы и незначительные – в других.
Роторные
Оборудование этого типа предназначено, прежде всего, для срезания зарослей сорной травы и тонких кустарников. Имея в хозяйстве приспособление роторного типа, можно без особых усилий удалять траву на больших площадях. Второе название этой косилки — дисковая, поскольку конструкция устройства предполагает диски, внутри которых располагаются движущиеся ножи. Количество дисков различается в зависимости от конструкции, но, как правило, их два или три. Установка роторной косилки на мотоблок обычно предполагает фронтальное крепление, но существуют разновидности дисковых устройств, которые крепятся сбоку или сзади, являясь полуприцепными или прицепными.
Принцип работы этого оборудования предполагает передачу крутящего момента от опорного колеса к дискам. Сами диски закреплены на раме, опорой которой служат салазки. Благодаря тем же салазкам, может регулироваться и высота срезания растений. Диски располагаются в ряд, и чем их больше, тем шире полоса захвата. Используются такие косилки и на пастбищах, и на больших огородных хозяйствах.
Сегментные
Конструкция сегментной косилки предельно проста. В нее входит рама и зафиксированные на ней бруски (как правило, их два). Между брусками размещаются ножи, совершающие обратно-поступательные движения по принципу ножниц. Причем работа сегментов чередуется — пока один находится в движении, другой – неподвижен. Скос травы производится быстро и равномерно, а особенности конструкции устройства позволяют успешно использовать его для покоса на поверхностях со сложным рельефом.
Рама размещается на опорных колесах, благодаря чему возможно как фронтальное размещение, так и крепление позади мотоблока. Как и в варианте роторного типа, конструкция предусматривает салазки, позволяющие регулировать высоту срезания травы. Благодаря особенностям принципа работы, устройства этого типа хорошо справляются с сорняками с толстыми стеблями, успешно скашивают сухие растения и очень эффективны при заготовке зеленых кормов.
Одним из главных достоинств, которые отмечают пользователи, является доступность, простота в использовании устройств этого типа и довольно редкие поломки. Однако есть у сегментных косилок и недостатки. К ним относят небольшую производительность, кроме того, оборудование этого типа не очень подходит для скоса невысоких растений.
Косилка-повозка
Оборудование этого типа обычно агрегируется с тяжелыми мотоблоками, оснащенными системами водяного охлаждения. Предназначены косилки-повозки для масштабных работ — срезание в больших количествах высоких и толстых сорняков и кустарников, крупные заготовки сена. Иногда конструкция оснащается граблями, что существенно упрощает сборку скошенной травы. Как и в других типах конструкций, имеются салазки для регулировки высоты скашивания.
Список источников
- oselhoztehnike.ru
- vsemotobloki.com
- SpecMahina.ru
- tytdacha.ru
- stroy-podskazka.ru
- mastertraktor.ru
- NashSad.su
Таблица цен на представленные модели косилок по России
| Наименование | Город | Поставщик | Цена |
| Роторная сенокосилка «Заря» | Ростов-на-Дону | Tiu.ru | 13 990 |
| Казань | Tiu.ru | 14 388 | |
| Москва | Kuplyu-motoblok.ru | 12 500 | |
| Уфа | Кувалда.ру | 13 325 | |
| Санкт-Петербург | Кувалда.ру | 12 499 | |
| Симферополь | Купи на дачу.ру | 20 990 |
| Роторная сенокосилка «Заря 1» | Ростов-на-Дону | ООО ТЕРО-ИНВЕСТ | 14 330 |
| Казань | Tiu.ru | 14 990 | |
| Москва | ГРАНД инструмент | 15 500 | |
| Уфа | Кувалда.ру | 15 382 | |
| Санкт-Петербург | PROДАЧА | 16 450 | |
| Симферополь | Кадан Эра | 22 990 |
| «Терминатор» | Ростов-на-Дону | ООО «Сельхозтехника 77» | 10 700 |
| Казань | 6 СОТОК | 12 300 | |
| Москва | PROДАЧА | 12 300 | |
| Уфа | Купи на дачу.ру | 13 990 | |
| Санкт-Петербург | PROДАЧА | 12 300 | |
| Симферополь | Кадан Эра | 14 900 |
Как правильно подключать
Косилку присоединяют через ременную передачу, этот вариант надо рассмотреть подробно. Процесс простой, но если что-то сделать неправильно, оборудование сломается или будет работать неправильно. Следовать инструкции:
- Проверить крепеж, затянуть его при необходимости. Осматривать ножи на предмет повреждений.
- Присоединить оборудование, косилка на мотоблок крепится жестко. Тип соединения зависит от того, с какой стороны расположен узел. Жестко затянуть болты, не должно быть люфта.
- Надеть ремень на шкивы. Регулировать натяжение прижимным роликом.
- Запустить мотоблок. Включить оборудование на небольших оборотах, чтобы убедиться, что оно работает нормально.
- Проконтролировать высоту скашивания. Когда нужно — отрегулировать ее.
Совет!При покупке косилки лучше всего, если в магазине покажут, как ее ставить и подключать. Наглядный пример намного понятнее, чем описание в инструкции.
Когда в процессе работы возникли посторонние шумы или что-то попало под движущиеся части, надо остановиться и найти проблему. Если этого не сделать, косилка может сломаться, что опасно для того, кто управляет мотоблоком.
Какие модели подходят?
Многообразие моделей дополнительного оборудования для моторизованной техники создает условия для подбора подходящего решения к каждому виду мотоблоков. Но как не ошибиться при покупке? Наиболее популярными на отечественном рынке считаются косилки «Заря». Производит их калужское предприятие, есть несколько модификаций. Чтобы узнать, подходит ли косилка «Заря» к мотоблокам «Салют-5» и «Салют-100», нужно изучить паспорт изделия. Нужная модель будет иметь обозначение КР. 05.000-04 или ЗиД КР-1 (производится заводом в Коврове).
Кроме того, обратить внимание стоит на модель КМ-0,5 «терминатор» с регулируемой высотой среза от 5 до 100 мм, измельчителем. Ширина среза при работе изделия достигает полуметра
Ножи не требуют заточки, имеют самозатачивающуюся структуру. КНС-0,8 «Стриж» относится к категории сегментных моделей, подходит для окашивания дорожных обочин, ухода за участками, формирования газонов. К ее особенностям относится боковое расположение режущего элемента относительно самого мотоблока. Полотно ножей имеет защиту в виде пальцев, предотвращающих получение повреждений.


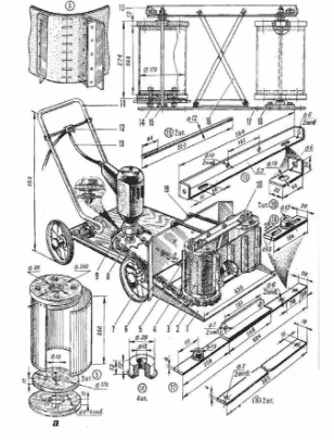
Самодельная косилка-повозка своими руками
С помощью самоходной косилки можно с легкостью избавиться от травы, имеющей широкий стебель. Рассмотрим особенности изготовления агрегата.
Материалы и инструменты
Для сборки сенокосилки Вам понадобятся:
- рама из металлических уголков;
- 4 колеса;
- металлический лист или фанера (размер 80х40см);
- 2 банки из-под консервов;
- 8 металлических дисков;
- 4 лезвия;
- втулка;
- барабан;
- болты;
- транспортная лента.
Знаете ли вы? Чем шире и больше колеса на косилке, тем меньше они повреждают газон и не оставляют за собой следов.
Имея в наличии перечисленные материалы, можно приступить к сборке устройства при помощи стандартного набора инструментов.

Список действий
Предлагаем ознакомиться с инструкцией по сборке косилки:
- Разместите на раме металлический лист.
- Выполните установку на раму двух консервных банок без крышки и дна. Вместо дна установите металлические диски, диаметр внешних — 20 см, внутренних —17 см.
- Выполните попарное соединение дисков: скрепите их с помощью болтов.
- Прикрепите лезвия к дискам таким образом, чтобы между ними было одинаковое расстояние, что позволило бы им свободно вращаться.
- Вставьте втулку в барабанную деталь, крепко закрепите ее на раме.
- На раму положите лист, изготовленный из стальных уголков.
- Выполните соединение барабанов. Для этого вам понадобится транспортная лента.
- Осуществите крепеж нижней втулки барабана, а к последнему присоедините уголки.
Виды косилок для мотоблоков Нева
На сегодняшний день на рынке представлено всего два варианта косилок для мотоблока: роторная и сегментная. Они отличаются принципом работы и кошения травы. Давайте более детально рассмотрим этот вид навесного оборудования на примере работы в комплекте с мотоблоком Нева.

Виды косилок для мотоблоков
Сегментная косилка
Сегментная косилка представляет собой широкую конструкцию, внизу которой установлено два ряда лезвий в форме треугольника.
Они двигаются в горизонтальной плоскости и срезают траву. Это очень простое приспособление, которое приводится в действие при помощи ремня привода.
В итоге получается широкий, ровный и аккуратный скос травы.
Однако это преимущество является и недостатком. Такой вид косилок предназначен исключительно для работы на ровных поверхностях.
На видео выше продемонстрирован пример работы сегментной косилки к мотоблокам.
Роторные косилки
Это более практичный и удобный для работы вариант оборудования.
Роторная косилка производит скос травы при помощи ножей, которые вращаются на нижней части.
Ножи в таком случае немного выступают за корпус и позволяют производить безопасный скос травы, при этом сразу же формируют «волки».
Компактность модели позволяет работать даже на неровных поверхностях.
Официальным заводом-производителем мотоблока Нева предлагается один вариант косилки – роторная модель КР-0,5.
Популярные модели
ККМ-1
Картофелекопалка грохотного типа используется для обработки участков с легкими или средними почвами и влажностью не более 27%. Кроме картофеля данное оборудование позволяет осуществлять уборку свеклы, моркови и лука. Агрегат весит порядка 40 кг, имеет ширину захвата 370 мм и глубину обработки 20 см. Производительность ККМ-1 составляет 0,2 га/ч. Картофелекопалка комплектуется просевной решеткой, лемехом и адаптирована к таким моделям мотоблоков, как «Нева», «Агат», «Салют», «МТЗ», «Фаворит» и «Каскад».
Цена этой модели картофелекопалки в России равна 11 000-12 000 рублей, а в зимний период агрегат стоит дешевле. Купить его можно в компании-производителе или у официальных дилеров.
КВМ-3
Эта модель навесного оборудования вибрационного типа может использоваться с любыми моделями мотоблоков производства России, Украины и Китая, таких как «Нева», «МТЗ», «Салют», «Заря», «Агат» и прочими. К картофелекопалке, для работы на самых твердых почвах, к основной раме монтируется специальный нож, что создает более сильные вибрации решетки встряхивающей землю.
Вес картофелекопалки КВМ-3 составляет 39 кг, а рабочая скорость – 1-2 км/ч. Ширина захвата равна 37 см, а глубина обработки — 200 мм. Производительность агрегата – 0,1-0,2 га/ч. В России данная модель в среднем стоит порядка 7 000-9 000 рублей. Приобрести картофелекопалку можно напрямую у производителя или же в компаниях по реализации малой сельхозтехники.
«Полтавчанка»
Данный агрегат вибрационного типа весит 34 кг и хорошо подходит для обработки земельных участков площадью не более 2 га. Скорость и производительность картофелекопалки составляет 2-3 км/ч и 0,2 га/ч соответственно. Ширина обрабатываемой полосы равна 39 см, а глубина – 18 см. Модель «Полтавчанка» комплектуется ремнем и штифтом, позволяющими подключать агрегат к мотоблокам «Заря», «Фаворит», «Нева», «МТЗ», «Агат», «Салют» и прочими аналогичными устройствами.
Данное навесное оборудование отлично работает на среднетяжелых почвах с влажностью не выше 30%. Благодаря наличию регулировки колес имеется возможность выбора необходимой глубины во время уборки.
КТ-51
Этот агрегат транспортерного типа обрабатывает полосу шириной 45 см и весит 47 кг. На картофелекопалке имеется возможность регулировать глубину обработки почвы при помощи опорных колес. Управление скоростью транспортера осуществляется через обороты мотоблочного двигателя.
Эта модель предназначена для работы с тяжелыми и средними мотоблоками со шпоночным валом отбора мощности, например, «Зубр», «МТЗ», «Кентавр» и прочие.
Вибрационная картофелекопалка для мотоблока «Нева»
Данная модель вибрационной картофелекопалки разрабатывалась специально для мотоблоков «Нева». Однако при наличии дополнительных ремней и приспособлений ее можно использовать и на других мотоблоках с аналогичным креплением. Агрегат весит 34 кг, имеет ширину захвата 360 мм и глубину обработки – 200 мм. При движении 1-2 км/ч производительность картофелекопалки составляет 0,15-0,2 га/ч. Цена такого оборудования равна 8 000-9 000 тысячам рублей. Приобрести агрегат можно напрямую у производителя, а также у специализированных компаний занимающихся реализацией малой сельскохозяйственной техники. Эта модель получила самые лучшие отзывы.
Картофелекопалка для мотоблока значительно упрощает работу по сбору урожая картофеля, свеклы, моркови и прочих корнеплодов. Использование этого оборудования позволяет значительно сэкономить силы и время, а также повысить количество собранного картофеля. Однако прежде чем купить понравившуюся модель картофелекопалки необходимо удостовериться, что она может быть установлена на ваш мотоблок или культиватор. Также при выборе навесного оборудования необходимо учитывать мощность мотоблока и тип почвы, которая будет обрабатываться.
Виды косилок для мотоблока
Выделяют несколько видов косилок, подробное описание которых будет приведено ниже:
- роторные;
- сегментные;
- косилка-повозка.
Каждый из видов техники имеет свои особенности и предназначен для выполнения работы определенной сложности.
Роторные
Роторная газонокосилка – идеальный вариант для дачного участка. В ее функционировании заложен принцип косы: благодаря вращению встроенных ножек на огромной скорости образуется довольно мощный воздушный поток, который втягивает траву внутрь конструкции либо откидывает ее в другую сторону.
Выделяют 2 типа роторных газонокосилок:
- Электрические. Преимуществом такого аппарата является бесшумность, экологичность. Механизм довольно легкий, имеет невысокую стоимость, прост в эксплуатации. Минусом инструмента является его привязка к розетке или другому источнику питания. Как правило, такие косилки имеют небольшую мощность. Электрический аппарат может подойти владельцам небольших газонов.
- Бензиновые. С таким агрегатом вам не страшны никакие заросли и территории. Косилка обладает высокой мощностью, у нее нет привязки к источнику питания. К минусам модели можно отнести большой вес, шум при работе и, конечно же, выхлопные газы.
Знаете ли вы? Самая простая косилка — триммер, была изобретена в 1971 году в США, штат Техас.
Чтобы сделать правильный выбор между двумя типами газонокосилок, необходимо хорошо обдумать, для каких целей вам нужен аппарат, какие площади вы планируете обрабатывать.
Также на участке вам пригодится газонокосилка. С помощью нее можно мульчировать газон, а в случаи поломки газонокосилку можно отремонтировать своими руками.
Сегментные
Если вам необходимо избавиться от высокой травы, стоит воспользоваться именно этим видом сенокосилок. Благодаря сегментным ножам и особенностям аппарата срезка травы происходит ровно, что позволяет равномерно уложить ее на поверхность.
Уровень мощности такого типа устройства колеблется от 3 до 6 лошадиных сил. Подобная техника имеет ширину захвата до 120 см. Отдельные модели могут быть оснащены специальными механизмами, позволяющими работать на 7 скоростях.
Аппарат способен побороть сорняки, толщина стеблей которых составляет до 3 см. Благодаря наличию регулировок можно установить параметр высоты скашивания. Выделяют несколько типов регулировок:
- ступенчатая: необходимо задать конкретную высоту из предложенных;
- плавная: есть возможность выбрать высоту, входящую в установленные производителем пределы.
Важно! Обезопасьте себя перед началом использования косилки: проверьте, хорошо ли затянуты болты, на которых закреплены ножи и диски
Косилка-повозка
Этот тип является самым интересным. Его смело можно назвать универсальным, так как характеристики позволяют использовать инструмент летом и зимой.
В зимнее время года косилка с легкостью будет справляться с функциями снегоуборщика. С помощью такого инструмента можно косить жесткую траву и убирать ледяную корку.
Изготовление и сборка картофелекопалки
На просторах интернета можно найти готовые или создать самостоятельно чертежи для сборки устройства. Основные детали следующие: основа (рама) для крепления деталей, плуг для подкопа грунта, навесная система, регулируемая тяга, грунтовые зацепы или другие подходящие колеса. Грунтозацепы, кстати, также можно изготовить вручную. Процесс сборки картофелекопателя начинают с изготовления деталей, и проходит он в несколько этапов:
- Сварка рамы. Изготавливается из швеллера № 8 и металлического уголка, итоговая длина основы должна составлять примерно 1 м 20 см.
- Затем привариваются еще два швеллера: первый – через одну треть от начала рамы, второй – на расстоянии около одной шестой от края, который будет располагаться спереди. На них будет устанавливаться регулировочная тяга механизма.
- По бокам, на обеих сторонах привариваются металлические стойки, расстояние между ними должно быть около 10 см – они послужат креплениями для будущей решетки.
- К крайним стойкам следует присоединить оставшийся швеллер, должно получиться два треугольника, на которые в последующем будет крепиться плуг.
- Далее из металлического листа вырезается полоска необходимой длины шириной около 3 см, ее приваривают сначала к одному из треугольников. После полного остывания, полосу загибают кувалдой и приваривают ко второму треугольнику.
- Лемех можно сделать из металлической пластины, куска трубы или старого плуга. Крепится он на кожух элеватора с помощью 4 болтов, гайки прочно закручиваются.
- Арматуру делят на прутья необходимой длины. Одной стороной их приваривают к металлической пластине, расстояние между ними должно быть около 5 см. По бокам можно присоединить дополнительные прутья или пластины, чтобы клубни не падали в разные стороны. Вторая часть прутьев крепится к пластине или трубе, которую следует прикрепить с помощью шарниров, для свободного движения.
- Затем устанавливается редукционный узел. Он позволит менять угол наклона элеватора и плуга по необходимости.
- Колеса крепятся на соединяющий мост техники.
- Крепление картофелекопалки к мотоблоку аналогично креплениям другого навесного оборудования.
Это интересно: как посадить картошку мотоблоком. На какой бы модели садовод ни остановил свой выбор, однозначно одно – современная техника позволяет значительно облегчить труд земледельца и сэкономить массу времени.
Как сделать косилку для мотоблока своими руками?
Часто бывает, что по каким-либо причинам у производителя в продаже нет специальной косилки, конкретно под эту модель, либо же, что она не устраивает по своим характеристикам. В таком случае нетрудно поработать над самодельным вариантом. Полное производство на базе своего хозяйства будет продемонстрировано на примере сегментной вариации.
https://youtube.com/watch?v=yGXvXYgnbVs
Из запчастей, в первую очередь, надо взять прямоугольную трубу 5х1,5 длиной 120 см. Также подойдет и обычный кусок старой косы. На трубе сверлят около 12 дыр по сантиметру на одинаковых расстояниях, как показывают чертежи.

Следует подготовить раму из сваренных уголков и труб, каркас можно застелить фанерой и приделать к ней колеса. Лента изготавливается резиновой кольцеобразной. Удобно закреплять ее дюралевыми пластинами. Также на раму навариваются прижимы для установки режущей полосы. Для последней на подготовленную заранее трубу с дырами крепится М8-болтами полоса с лезвиями из металла.


























































