Смазка цепи бензопилы – важный момент в эксплуатации
Cмазка цепи бензопилыБензопила, независимо от того бытовая она или профессиональная, требует ухода
Неважно, пользуетесь ли вы ею каждый день или достаете для распилки дров лишь раз в полгода — если не следить за состоянием инструмента, он скоро придет в негодность
Для ухода за бензопилой есть несколько правил. Уход за цепью бензопилы В течение длительной работы цепь может затупиться. Распил в таком случае будет делать гораздо сложнее. Поэтому время от должна производиться ее заточка, а так же смазка цепи бензопилы.

Для этой цели подойдет масло для смазки цепи бензопилы (можно использовать автомобильное)
Важно, чтобы после полной выработки топливной смеси небольшое количество масла для цепи оставалось. Заправка бензопилы Конечно, бензопилу нельзя заправлять чистым бензином
Его разводят с маслом в пропорции 1:50. Марка бензина должна быть не ниже 92. По окончанию работы проследите, чтобы смесь не оставалась в бачке, так как долгому хранению она не подлежит. В лучшем случае ее можно хранить около месяца, затем масло окисляется, что приводит к поломке бензопилы.
Проверка затяжки гаек Такую проверку нужно производить каждый раз перед началом работ. Бензопила имеет довольно большую вибрацию, поэтому винты и гайки могут в скором времени расшататься. Эксплуатация бензопилы, детали которой закреплены плохо, становится небезопасной.
Проверка свечей Проверку нужно производить на наличие нагара – его там быть не должно. В противном случае свечу лучше заменить на новую
К нагару может привести неправильное разведение смеси, поэтому следует обратить внимание на то, не нарушаете ли вы пропорций и не используете ли смесь, которая уже пришла в негодность
Правильный подбор цепи Масло для смазки цепи бензопилы. Без него не обойтись! Чтобы цепь хорошо работала нужно не только производить смазку цепи бензопилы. Немалое значение имеет и подбор цепи в соответствии с мощностью двигателя. Так, например, менее мощный двигатель не способенпротащить через распил цепь, имеющую широкий шаг зубьев.
Она способна «вгрызаться» в древесину достаточно глубоко, но маломощный двигатель не в состоянии ее оттуда вытащить. Естественно нужно помнить, что даже при правильном подборе цепи необходимо по-прежнему использовать масло для смазки цепи бензопилы. При правильном уходе и эксплуатации бензопила прослужит достаточно долго и вам не придется тратить средства на ее основательный ремонт.
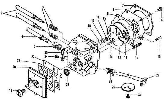
Карбюратор бензопилы штиль 180, ремонт которого достаточно сложное занятие, имеет только один настроечный винт – винт настройки холостого хода.
А жиклер полной нагрузки в процессе ремонта штиль 180 вообще трогать не нужно, поскольку он является неподвижным, т.е. нерегулируемым, и настройка полной нагрузки не может изменяться (карбюратор настроен на заводе так, что при всех условиях эксплуатации двигателю подводится оптимальная по составу топливо-воздушная смесь).

Благодаря этому при ремонте штиля отсутствует риск выхода из строя цилиндро-поршневой группы по причине неправильной регулировки карбюратора.
На бензопилах Husqvarna-137 и Partner-351 карбюратор бензопилы штиль имеет по три настроечных винта, что требует тщательного соблюдения правильной настройки карбюратора.
— ролики ведомой звездочки герметично расположены в корпусе шины и не требует дополнительного ухода; полностью исключена вероятность попадания грязи к роликам.
— шина имеет четыре заклепки (обведено красным), надежно фиксирующие ведомую звездочку. Звездочки шин Husqvarna и Partner нуждаются в периодической смазке через отверстия (зеленые стрелки)
Наверх
Бензопила gs 660 аналог STIHL Первый запуск
бензопила gs 660 STIHL.
- Классификационная группа. высокопроизводительная бензопила для профессиональной работы.
- Эффективный объем электростанции (куб. См) составляет 91,6.
- Индикатор питания (кВт) составляет 5,2.
- Мощность двигателя (л.с.) составляет 7,1.
- Вес (кг). 7.3.
- Соотношение массы и мощности установки (кг / кВт) составляет 1,4.
- Тип рабочей цепи. Oilomatic Rap >
Если вы решили приобрести STIHL MS 660, как отличить подделку, цена которой иногда сопоставима с оригиналом? Во-первых, это тяжелый инструмент во всех смыслах весом более 7 килограммов и мощностью более семи лошадиных сил. Пила может эксплуатироваться в промышленных цехах с непрерывной эксплуатацией в течение длительного времени.
В розничной продаже этот продукт стоит не менее 45 тысяч рублей. Поддельная копия имеет аналогичные размеры и вес, но коэффициент мощности составляет половину размера, а длительность непрерывной работы намного ниже, а также недостаточная прочность корпуса и рабочих деталей.
Запустите бензопилу в соответствии с инструкциями
Различные бензопилы могут быть запущены по-разному. Мы проанализируем два наиболее популярных механизма запуска бензопил, которые существуют сегодня. Например, возьмите бензопилы Stihl MS 180 и Echo CS-352ES. Если у вас есть другая марка бензопилы, просто попробуйте начать по аналогии, потому что, скорее всего, у вас есть такой же или похожий механизм.
Прежде чем приступить к описанию процесса запуска, хочу отметить, что для некоторых бензопил в инструкциях сказано, что перед запуском бензопилы необходимо включить тормоз аварийного останова. Они говорят, что это безопаснее. Однако запускать бензопилу с помощью стационарного тормоза сложнее, поэтому лучше ее разблокировать. Если вы все сделаете с умом, бензопила ничего не сделает при запуске. Если вы боитесь, что, не пытаясь запустить тормоз бензопилы, он может повредить вам, тогда лучше вообще не использовать этот инструмент.
Итак, начнем со Stihl MS 180.
Первое, что нужно сделать перед запуском этой бензопилы, это переместить рычаг управления в нижнее положение (рис. 1)
Обратите внимание, что этот рычаг перемещается к нижней части бензопилы только при нажатии кнопки газа. Поэтому, удерживая кнопку дроссельной заслонки, опустите рычаг вниз
Таким образом, мы закрываем заслонку в карбюраторе и фиксируем газ на бензопиле в нажатом положении.
READ Как Правильно Пилить Ручной Циркулярной Пилой
Рис. 1 После этого, чтобы запустить бензопилу, вы начинаете энергично перемещать рукоятку стартера, пока не услышите, что бензопила пыталась запустить, а затем остановиться. После этого переместите рычаг, чтобы отрегулировать положение демпфера на бензопиле на один шаг вверх (рис. 2).
Рис.2
- В этом положении снова потяните ручку стартера, пока не запустится бензопила. В то же время, если он запущен, он сразу же начнет работать на высоких скоростях, заблокировав ручку газа в нажатом положении.
- Затем, как только вы нажмете и отпустите кнопку бензина на бензопиле. Рычаг управления клапаном автоматически опустится в рабочее положение (рис. 3), и скорость бензопилы упадет. Теперь вы можете работать.
Рис.3
Если вам нужно запустить бензопилу с подогревом, вам просто нужно поставить рычаг в положение, показанное на рис. 3, и вы можете начать.
Чтобы остановить двигатель бензопилы, поднимите рычаг управления демпфером в верхнее положение (рис. 4).
Рис.4
Теперь мы проанализируем второй второй механизм, который позволяет запустить бензопилу.
Во-первых, перед попыткой запуска включите зажигание, переместив выключатель или выключатель бензопилы в соответствующее положение (рис. 5).
Рис. 5 Затем нажмите праймер несколько раз для замены (Рис. 6). Бензин закачивается в него, а затем нажмите еще 3-5 раз. Если у вас есть бензопила без грунтовки, переходите к следующему шагу.
Рис. 6 Теперь на бензопиле полностью вытащите рычаг, чтобы отрегулировать положение створки (рис. 7). В некоторых бензопилах для его запуска этот рычаг можно растянуть только при нажатии кнопки газа, а сама кнопка газа заблокирована в нажатом положении. Другим не нужно нажимать кнопку газа. Однако в этом случае газ на бензопиле фиксируется автоматически или не фиксируется вообще.
Рис. 7
Затем потяните ручку стартера, пока бензопила не попытается запустить и остановить. Затем нажмите рычаг, чтобы отрегулировать положение демпфера до упора на бензопиле, и снова потяните ручку стартера, пока не запустится бензопила. В некоторых случаях, чтобы запустить бензопилу, рычаг перекрытия нужно потянуть только наполовину, и он должен быть полностью вытянут после запуска бензопилы.
Стационарные газовые бензопилы имеют высокие скорости после запуска. Там, где нет фиксации, скорость низкая. В последнем случае из-за низкой скорости бензопила обычно задерживается на короткое время. В этом случае, не регулируя ничего, мы перезапускаем бензопилу, и это может происходить несколько раз, пока бензопила немного не прогреется и больше не сможет сохранять скорость и не задерживаться.
Чтобы запустить горячую бензопилу, просто включите зажигание, переместив соответствующий тумблер, и вы можете потянуть за ручку стартера.
Инструкция по эксплуатации
Паспортом бензиновой пилы “Штиль” МС-180 является инструкция по эксплуатации, где собрана полная информация о самом инструменте. Перед началом эксплуатации необходимо тщательно изучить руководство, чтобы избежать досадных неисправностей.
Предлагаем ознакомится с инструкцией бензопилы.
Устройство
Бензопила “Штиль” МС-180 состоит из: бензинового двигателя, карбюратора, кожуха, стартера, маховика, сцепления, клапана декомпрессии, масляного, топливного насоса и бака, свечи зажигания, пильной цепи, шины, звездочки, тормоза, воздушного фильтра, рычага переключения, пылеуловителя, глушителя, фиксаторов, колеса натяжения, упора зубчатого, винта регулировки, рукоятки.
Подготовка бензопилы Stihl к работе
К подготовке пилы следует подойти со всей ответственностью, так как от этого зависит ее срок эксплуатации в будущем, а также безопасность самого оператора. Рассмотрим правильный алгоритм действий при подготовке бензопилы к эксплуатации:
- производится сборка бензопилы Stihl (согласно описаниям и схемам в руководстве);
- надевается и закрепляется шина;
- натягивается цепь;
- правильно готовится топливная смесь: бензин разводится маслом в соотношении 50/1 (количество бензина АИ-92 5 л., специального масла Stihl для двухтактных двигателей 100 мл.);
- топливная смесь заливается в бак;
- масло для смазки цепи заливается в бак;
- проверяется надежность натяжения крепежей;
- согласно инструкции проводится запуск пилы;
- проводится регулировка карбюратора на холостых оборотах соответствующим винтом (цепь не должна двигаться);
- проверяется подача смазки на цепь.
Предлагаем посмотреть видео о том, как производится сборка бензопилы “Штиль”:
Про то, как завести бензопилу “Штиль” 180 расскажет наше видео:
Обкаточный период для бензопилы “Штиль”
В обычном понимании обкатка для пилы Stihl 180 не проводится. Она изначально готова к работе. Однако владельцу техники необходимо знать и понимать следующее:
Первые от 4 до 8 выпаленных полных баков с горючим работа бензиновой пилы должна выполняться в щадящем режиме не на всю мощность силовой установки с частыми перерывами для охлаждения инструмента.
Первые 60 минут работы бензопилы “Штиль” состоит из промежутков работы и отдыха: 2 мин. работы, 10 секунд — холостой ход, перерыв
Холостой ход более 10 секунд вредит свечам зажигания, оставляя на них нагар.
Очень важно правильно приготовить топливную смесь из высококачественных материалов (1/50, бензин АИ-92 и выше, масло Stihl для 2-х тактных моторов).
Техническое обслуживание
Перед эксплуатацией проверяется:
- состояние цепи, заточка;
- натяжка цепи;
- затяжка крепежей;
- заполнение топливного и масляного баков;
- наличие смазки цепи;
- холостой ход и т. д.
После распиловочных работ производится:
- чистка бензопилы;
- ослабляется натяжение цепи (обязательно);
- заточка цепи (при необходимости);
- состояние шины, ее износ;
- обслуживание фильтра (по мере надобности).
Новоявленные владельцы часто теряются и ищут материалы о том, как правильно разобрать (собрать) бензопилу “Штиль” 180. Предлагаем посмотреть видео, где показано, как выполняется разборка и сборка бензопилы штиль 180:
Неисправности и ремонт
Неисправности бензопилы Stihl 180 и их устранение — еще одна проблема, волнующая владельцев инструмента.
Почему бензопила “Штиль” 180 не заводится:
- отсутствует топливная смесь;
- нет контакта на свече зажигания;
- обрыв высоковольтного провода;
- топливный насос не качает;
- забились топливопроводы;
- проблемы со свечей;
- не отрегулировано зажигание;
- заливает свечу.
Почему бензопила “Штиль” 180 не развивает нужное количество оборотов:
- нагар на свече зажигания;
- свеча износилась, необходима замена (через 100 часов работы);
- карбюратор требует чистки.
Бензопила “Штиль” 180 глохнет на холостых оборотах:
- не отрегулирован карбюратор;
- засорился топливный или воздушный фильтр.
Предлагаем посмотреть видео о том, как проводится регулировка карбюратора бензопилы “Штиль” МС 180 своими руками:
Некоторые владельцы инструмента используют бензопилу Stihl МС 180 вместе с насадкой-болгаркой, это позволяет соорудить домашнюю пилораму и выполнять продольные распилы.
На видео показана насадка-болгарка для бензопилы “Штиль” MS-180:
Но даже без этой насадки некоторые умельцы нашли способ выполнить продольный распил обычной шиной с пильной цепью. Предлагаем посмотреть видео о самодельной пилораме из подручных материалов:
Алгоритм пуска бензопилы
Для того, чтобы завести бензопилу должно произойти несколько процессов одновременно. Это подача топливной смеси под поршень двигателя, её максимальное сжатие и подача в этот момент искры для воспламенения и запуска.
Все эти процессы происходят в тот момент, когда мы тянем ручку стартера. Если у Вас новая бензопила, то не забывайте, что она должна пройти обкатку.
Но не все так просто как кажется, топливо для запуска в режиме холодного и горячего двигателя, должно различаться по качеству воздушной смеси. Например, горячий ДВС может завестись с нормальным уровнем воздуха, при котором он стабильно работает и уверенно держит обороты холостого хода. Того же самого количество воздуха, будет слишком много, для того, чтобы завести холодный двигатель, и прежде чем завести бензопилу придется потянуть стартер раз 10, а может и больше. Как же решить эту проблему?
Для снижения количества воздуха и увеличения подачи топлива, производители бензопил установили в карбюратор специальную заслонку, которая отвечает именно за процесс регулировки количества воздуха в момент пуска ДВС.
Завести двигатель пилы с её помощью получается в несколько раз быстрее, что увеличивает продолжительность работы стартера и всей пилы в целом.
Так как правильно запустить пилу? Алгоритм пуска следующий:
Полностью перекрыть воздушную заслонку. Для этого во всех бензопилах, установлен специальный рычаг, потянув который происходит закрытие.
При помощи праймера, накачать топливо в карбюратор. Это необходимо, чтобы ДВС не потребовалось проведения нескольких рабочих тактов для наполнения карбюратора.
Произвести несколько движений стартером, до момента первого возгорания в цилиндре. Его называют первой вспышкой
На этом моменте остановимся подробнее по причине его чрезвычайной важности для правильного пуска. Именно в момент первичного возгорания, создаются оптимальные условия для последующего запуска
Под действием температуры от первой вспышки, топливо в цилиндре испаряется, образуя газовые пары, а как всем известно, именно они участвуют в работе ДВС. Поэтому следующий этап должен завершить процесс, и окончательно завести двигатель бензопилы.
Отрыть воздушную заслонку наполовину и произвести движение стартером. После этих действий бензопила должна завестись и начать работать на высоких оборотах, для их нормализации необходимо нажать на рычаг управления количеством оборотов до максимума и сразу же опустить. После этих действий, правильно отрегулированный двигатель перейдет в режим холостого хода и снизит обороты.
Что будет если не открыть воздушную заслонку после первой вспышки? Ответ прост, карбюратор не снизит подачу топлива в цилиндр, и оно зальет электрод свечи. После чего, даже большое количество движений стартером, не позволит завести бензопилу.
Продувка после нарушения алгоритма
Если не получилось завести бензопилу с первого раза, не переживайте, такое бывает, скорей всего проблема кроется в излишке топлива в цилиндре. Нужно провести подготовительные операции, а именно, удалить топливо из цилиндра, и попробовать завести еще раз.
Устранять проблему, придется выкручиванием свечи и продуванием цилиндра. Для этого необходимо будет перевернуть инструмент свечным отверстием вниз, выключить кнопку зажигания и произвести несколько движений стартером в таком положении. За счет компрессии двигатель выдавит лишнее топливо, после чего можно пробовать завести пилу с полностью открытой заслонкой.
Если не получается включить и запустить бензопилу
Когда все деяния производятся в установленном порядке, а бензопила не начинает работать, то в ее механизме появляются неисправности. Обычно предпосылкой этого явления является общее и просто устраняются задачи, такие как отсутствие искры, отключение подачи горючего, засорен фильтр, позволяющий пропускать воздух. Для того, чтоб запустить бензопилу, для вас придется отыскать причину и принять нужные меры для ее устранения.
Следует употреблять только правильных действий. Если человек не знает, что делать, нет необходимости совершать необдуманные действия. Разборка запрещено, нужно быть особенно осторожным с карбюратором. Вы не можете открутить на ней винты, ведь если его устройство стало причиной поломки, невозможно отремонтировать бензопилу без профессионального оборудования.
Перечисленные действия, которые нужно выполнять в строгом порядке. Только при переходе от одной меры к другой можно определить точную причину неисправности и быстро устранить ее, не повредив другие детали. Алгоритм действий, выполняемых в случае отказов в установлении бензопилы:
- Сначала достаточно дать прибору отдохнуть. Особенно это касается пыльца, недавно работали. Достаточно подождать не более десять минут, поскольку за это время механизм остынет и при отсутствии других поломок он легко запустится. Иногда случается, что у прибора при установке наливается свеча. Если это неприятное свойство возникла, то достаточно подождать очень короткую паузу и повторить все шаги снова, чтобы запустить двигатель.
- Крышка корпуса откручивается от устройства для удаления воздушного фильтра. Процесс запуска устройства выполняется, если он отсутствует. Иногда причиной отсутствия возгорания является то, что фильтр загрязнен. Если возгорание произошло без него, то причина кроется именно в этом. Чтобы устранить эти проблемы, достаточно промыть фильтр под проточной, теплой водой с мылом, а затем высушить. Вы также можете заменить старый элемент на новый.
- Свеча вынимается. Искра проверяется. Если она не появляется, нужно заменить старую свечу на новую. Обычно это помогает и появляется искра, но в некоторых случаях искры не возникает даже при изменении смеси.
Когда появится искра, когда невозможно заставить устройство работать, нужно продолжать выполнять следующие действия.
Бывают случаи, когда появляется искра, но сама свеча влажная. Это возможно, если на него попадет бензин. Чтобы от него избавиться, достаточно перевернуть устройство так, чтобы цилиндр был направлен вниз. Тогда вся лишняя жидкость выльется. Далее следует проверить камеру сгорания, для чего нужно тянуть стартер более десять раз. Свечу, поврежденную влагой, можно заменить с последующей проверкой ее эффективности. Если он становится неисправным, вы можете заменить этот элемент на новый. После этих действий вам нужно попробовать еще раз активировать устройство.
Иногда свеча остается сухой. В этом случае нужно набрать газовую смесь в шприц и пропустить ее в баллон. После этого следует немедленно попробовать запустить устройство. Если причиной длительного отсутствия реакции на попытки включения есть мусор, попавший в карбюратор, то при его удалении не должно быть препятствий поступлением топлива в камеру сгорания. Механизм успешного вывоз мусора определяется расходом жидкости при заполнении газовой смеси, поэтому нужно наливать топливо с силой, а затем почти немедленно попробовать запустить устройство.
Глушитель снимается
Для этого ее откручивают и осторожно снимают, чтобы не деформировать прокладку, которая отделяет ее от двигателя. Нужно попробовать запустить механизм, не используя воздушный фильтр и глушитель, что помогает исключить поломки в этих конструктивных элементах.
Алгоритм заведения пилы «Штиль 180»

Если перед вами встал вопрос о том, как заводить бензопилу «Штиль», то этот процесс можно рассмотреть на примере модели 180. Для того чтобы осуществить работы на холодную, необходимо включить зажигание и установить рычаг управления двигателем в нижнее положение. При этом заслонка карбюратора перекроет доступ воздуха из фильтра, а дроссельная будет открыта, поэтому топливная смесь обогатится.
Ручку стартера необходимо потянуть несколько раз, пока не произойдет первая вспышка. Это укажет на то, что смесь поступила в цилиндр, а оборудование готово для заведения. Перед тем как заводить бензопилу «Штиль», вы должны установить рычаг управления на одно положение вверх. При этом воздушная заслонка откроется, тогда как дроссельная останется в том же положении.
Стартер нужно потянуть и завести. Инструмент будет работать на повышенных оборотах, дроссельная заслонка окажется открыта. Для установки последней в режим холостого хода следует задействовать курок газа и отпустить его. При этом инструмент должен начать работать нормально. На описываемой модели бензопилы нет дополнительных устройств, которые бы позволяли облегчить запуск.
Технические характеристики
Для удобства все характеристики сведены в одну таблицу, а зеленым цветом выделены самые важные параметры.
| Производитель | Stihl |
| Модель | MS 180 |
| Родина бренда | Германия |
| Страна производства | Китай |
| Класс пилы | Бытовой |
| Двигатель | |
| Мощность, л.с. /кВт | 2/1,5 |
| Объем двигателя, куб.см. | 31,8 |
| Пильная гарнитура | |
| Длина шины, см/дюймы | 35/14 |
| Шаг цепи, дюймы | 3/8 |
| Толщина цепи, мм | 1,3 |
| Количество звеньев, шт | 55 |
| Общие характеристики | |
| Объем топливного бака, л | 0,25 |
| Объем масляного бака, л | 0,145 |
| Гарантия, мес | 12 |
| Вес, кг | 3,9 |
| Сколько стоит | |
| Stihl MS 180 14″ | Узнать цену |
| Stihl MS 180 16″ | Узнать цену |
| Stihl MS 180 14″ C-BE | Узнать цену |
| Stihl MS 180 16″ C-BE | Узнать цену |
Все модификации бензопилы Штиль 180 имеют вышеописанные технические характеристики (ттх), включая мощность, единственное отличие будет у модели MS 180 16″ — она оснащается шиной размером 35 см / 16 дюймов:
В характеристиках указан «сухой» вес пилы, т.е. без бензина, масла и пильной шины. Отдельно стоит упомянуть про используемую цепь Stihl Picco Micro 3 (PM3), с шагом 3/8 » P, производитель настоятельно рекомендует использовать только такие цепи.
Еще у бензиновой пилы очень хороший показатель звукового давления равен 97 дБ(A) — в сравнении с китайскими конкурентами (обычно это более 100 дБ), она почти бесшумная: Fubag, Парма, Хопер, Baumaster, Hammer Flex, Alpina, Elitech, Ryobi, Daewoo, Forte, Forward, Jonsered, Интерскол, Лидер, AL-KO, Зубр, Hammer, Huter, Partner, Тайга, PIT, Patriot, Лесник.
Как видно из характеристик у бензопилы Stihl MS 180 практически нет недостатков, даже маленький объем масляного бака считается преимуществом — меньший вес при полной заправке. Дело в том, что у пилы маленький расход масла для смазки цепи. Объясняется это тем, что оригинальное масло для цепи Stihl обладает хорошими адгезионными свойствами. Именно поэтому рекомендуется использовать только оригинальные масла Stihl.
Большим недостатком считается цена, она действительно кусается. В сравнении с надежными китайскими конкурентами вроде Huter или Champion, она больше в 2 раза!
Еще большой недостаток — это место производства, все бензопилы в Россию и страны СНГ идут только китайской сборки, по отзывам, качество у них немного хуже немецких оригиналов. Инструменты производимые в Германии поставляются только на рынки Европы и США, в РФ вы их не найдете не у одного официального дистрибьютора.
Обороты двигателя
Бензиновые пилы компании Штиль отличаются от своих конкурентов самыми высокооборотистыми инструментами, за счет этого получается достичь большей мощности при меньшем объеме двигателя. Также это позволяет снизить расход топлива. Stihl MS 180 имеет следующие характеристики по оборотам:
- В холостом режиме — 2800 оборотов в минуту.
- В максимальном (курок газа в упор) — 14000 об/мин.
- Работа под нагрузкой — в среднем 9000 об/мин
Расход топлива в час
Вне зависимости от модификации и установленной шины все бензопилы Stihl MS 180 очень экономны и в среднем расход топлива в час составляет 0,7 литра. Расход напрямую зависит от условий и характера выполняемой работы и может варьироваться от 0,5 до 1,2 л/час.
Вывод
В продаже можно встретить еще один вид бензопилы данного производителя. Stihl MS 180-16. Он оснащен шиной, размер которой составляет 16 дюймов. По этой причине, в собранном состоянии, инструмент имеет более внушительные размеры, и его можно использовать для вырубки деревьев, размер которых достигает 30 сантиметров в диаметре.
Перед покупкой вы должны спросить, какое качество имеет карбюратор цепной пилы «Штиль-180», поскольку это во многом зависит от производительности инструмента. Только таким образом вы можете быть уверены в приобретении качественного инструмента, который будет длиться долгое время, а также он будет правильно выполнять все задачи.
Выводы
На сегодняшний день существует множество моделей бензопил и производители, которых представляют разные страны (см. рейтинг лучших). И каждое из этих устройств требует своего индивидуального подхода, даже не смотря на то, что состоят они все практически с одинаковых частей. Но даже малейшие дополнения влияют на сам ход работы бензопилы, а так же ее обслуживание.
Поэтому очень важно максимально внимательно относиться к предписаниям в инструкции эксплуатации которое установил тот или иной производитель (например, почитайте инструкцию к бензопиле Хускварна)
Берегите свой инструмент, уделяйте ему должное внимание и он, несомненно, сможет прослужить вам долгие годы без поломок и предоставит вам хорошую производительность

























































