Как правильно паять
Чтобы научиться паять, необходимо три вещи:
- Терпение.
- Терпение.
- Терпение.
Кроме того, для того, чтобы правильно паять, требуется
- Правильно оборудованное рабочее место.
- Качественный и исправный электропаяльник.
- Правильно выбрать подходящие к спаиваемым материалам паяльную проволоку и флюс.
- Правильно и тщательно подготовить поверхности.
Пайка проводов
Пайка для начинающих лучше получится, если взять для освоения относительно несложное задание, и обязательно на учебном материале. Не нужно осваивать процесс, пытаясь починить пылесос или материнскую плату компьютера — возьмите отрезки проводков и потренируйтесь на них.
Способ №3. Автоматическая паяльная станция на базе Ардуино
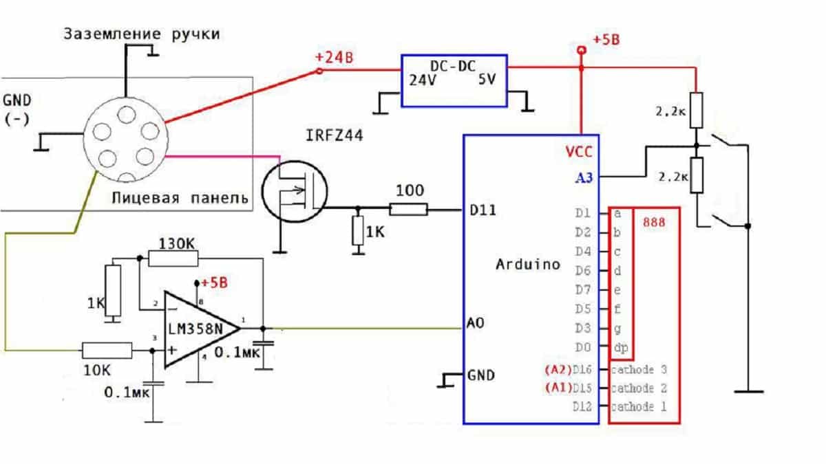
Такая паяльная станция собирается на базе микроконтроллера Arduino, который выполняет роль логического элемента, обрабатывающего данные от индикатора температуры и регулирующего мощность нагрева жала. Отличительной особенностью такого устройства является полная автоматизация контроля за температурой – вам достаточно задать ее и дождаться нагревания. Пример схемы для сборки приведен на рисунке ниже:

Рис. 10. схема паяльной станции на базе ардуино
Чтобы собрать такую станцию вам понадобится:
- сама плата Ардуино для управления работой паяльной станции;
- цифровое табло для отображения температуры нагрева;
- микросхему для программирования паяльной станции;
- транзистор, стабилизатор и кнопки, магазин резисторов и емкостных элементов.
Для сборки такой паяльной станции воспользуйтесь приведенной схемой, в качестве нагревательного элемента будет выступать жало обычного паяльника с датчиком температуры, которые подключаются к собранной схеме.
К недостаткам такого устройства следует отнести его сложность, из-за чего начинающие радиолюбители могут попросту не собрать рабочую версию с первого раза. Также для пайки используемых в автоматической станции элементов вам понадобиться специальный паяльник и предварительные навыки работы с ним, чтобы не испортить детали.
Достоинства паяльника для пайки бамперов
Бампер – это деталь автомобильного кузова, которая не редко повреждается. Менять поврежденную от аварии деталь дорого, да и не всегда необходимо – в наши дни существует много аппаратов для исправления искривления пластика автомобиля. Паяльная станция помогает выполнить ремонт.
Станция с феном способна нагревать прокачиваемый через неё воздух от 20°С до 650°С, причем температура плавно регулируется встроенным блоком электроники
Существует 3 стадии нагревания пластика:
- Пластичность (возможно менять форму предмета);
- Плавление (можно соединить детали);
- Разрушение (шов ненадежный, эксплуатация невозможна).
Для бамперов подходит термовоздушная станция, традиционный паяльник и станция с феном. Конечно, ремонт можно выполнить самостоятельно, но лучше, если ремонтом любимого автотранспортного средства займется мастер.
Перемотка паяльника
Намотка жала паяльника
В нагреватель вновь вставляется жало, зажимается винтами и в патрон дрели. Если разборку и отмотку излишнего нихрома производить, держа нагревательный элемент в руках, то всё будет гораздо сложнее. Убирается увязочная проволока.
Снимаются освобождённые обёртки стеклоткани и слюды. В слюде со стороны жала есть прорезь, куда вставлен проводник, идущий от нихрома к сетевому проводу – поэтому не разматывается, а снимается с него ослабленная слюдяная обёртка. Слюда материал весьма хрупкий. Отсоединяется примотанный к проводнику конец нихромовой проволоки. Его толщина чуть более 4-х микрон.
Нихром сматывать в обязательном порядке на что-то круглое, идеальный вариант – катушка для ниток. Открутил – подмотал и так до конца. Отсоединять второй конец нихромовой проволоки не нужно.
Сопротивление паяльника провода
Теперь нужно намотать длину в 400 Ом, а в сантиметрах это будет примерно 70 (общая длина нихромовой проволоки 300 см это 1800 Ом, отсюда 400 Ом будет 66,66см). На длине 70 см ставится фиксатор (прищепка) и в висячем положении катушки, слегка направляя пальцами, производится намотка с интервалом, обеспечивающим её окончание у первого проводника. Норма попыток не ограничена, главное не порвать нихром. По окончанию намотки необходим контрольный замер сопротивления.
Как только получилось намотать необходимое количества нихрома, отрезаем проволоку с припуском в 1 — 2 см и приматываем к проводнику. Надеваем слюдяную обмотку, пропуская проводник в имеющуюся в ней прорезь и прижимаем к ней (естественно по верх неё).
Сверху устанавливаем обмотку из стеклоткани и уплотнив прижатием, наматываем увязочную проволоку. Нагревательный элемент рассчитанный на питание напряжением 85 – 106 В собран.
Изготовление импульсного микросхемного паяльника
Для изготовления паяльника, которым можно выпаивать и впаивать в печатные платы микросхемы и другие электронные компоненты, отличающиеся особой чувствительностью к перегреву, в конструкцию устройства добавляют специально переделанный резистор, играющий роль защитного устройства. Хорошо подойдет резистор типа МЛТ сопротивлением 8 ом и рассеиваемой мощностью 0,5-2 ватта

Паяльник для микросхем своими руками
Кроме того, потребуется:
- Полоска двухстороннего фольгированного текстолита 10Х30 миллиметров.
- Кусок стальной проволоки толщиной 0,8 мм.
- Медная проволока для жала.
- Корпус шариковой ручки.
- Импульсный блок питания 12-15 вольт 1 ампер.
Последовательность изготовления следующая:
- Снять лакокрасочное покрытие с резистора, нагрев его в муфельной печи или газовой горелкой.
- надфилем или лобзиком отпилить один из выводов .
- просверлить в этом месте отверстие диаметром 1,1 мм, достигнув внутренней полости. Второй вывод следует подключить к источнику питания, он же будет крепить устройство к ручке.
- Расширить отверстие в корпусе сопротивления на конус так, чтобы исключить контакт жала и внутренних стенок резистора, к этому месту надо будет припаять второй провод к блоку питания.
- Стальную проволоку надо согнуть пополам, выгнуть в месте сгиба кольцо по диаметру резистора (должно садиться очень плотно) и загнуть его под прямым углом.
- Кольцо залудить, надеть на резистор и припаять так, чтобы концы стальной проволоки были направлены в одну сторону с оставшимся выводом.
- Из полоски текстолита вырезать плату таким образом, чтобы на широкой части с разных сторон было две контактные площадки для припаивания концов проволоки и второго вывода резистора соответственно, средняя должна плотно входить в корпус ручки, а узкая — иметь контактные площадки для подпайки проводов от блока питания.
- Припаять концы проволоки и вывод сопротивления к плате, с дугой стороны припаять провода от блока питания
- В отверстие резистора плотно вставить кусочек термостойкого изолятора (той же керамики, например), чтобы исключит контакт жала со вторым выводом.
- Вставить медное жало в отверстие. Жалу можно придать любую удобную для пайки форму, изогнуть, сплющить, заточить и т.д.
- Пропустить провода через корпус ручки, вставить в него плату и подсоединить провода к блоку питания.

Устройство паяльника для микросхем
Работа таким импульсным микросхемным паяльником, сделанным своими руками, безопасна для микросхем и не утомляет руку.
Разновидности
Основная классификация инструмента – по принципу нагрева и по особенностям конструкции.
По принципу нагрева различают паяльники:
- нихромовые;
- керамические;
- индукционные;
- импульсные;
- газовые;
- аккумуляторные.






В зависимости от особенностей конструкции паяльники бывают:
- стержневыми;
- пистолетами;
- станциями.



Какой паяльник выбрать для дома, зависит и от того, что именно им будут паять. Для работы с несколькими проводами и для спайки микросхем нужны разные инструменты.
Стержневые – это традиционные конструкции для паяльников в виде прямого стержня. Рабочее жало закреплено в длинной рукоятке. Ими удобно работать с небольшими деталями.

Пистолеты – рабочий орган по отношению к рукоятке расположен перпендикулярно. Применяются для проведения электромонтажных и ремонтных работ.

Паяльные станции – это уже более сложные инструменты, которые работают от блока управления. Они еще делятся на:
- инфракрасные – пайка за счет ИК-излучения;
- термовоздушные – за счет нагретого воздуха;
- цифровые – за счет снижения напряжения трансформатором.
Сравнительная характеристика электрического и газового паяльников
Мобильность и удобство:
- Электрический – привязан к сети, ограничен длиной шнура;
- Газовый – полная мобильность; может использоваться в сложнодоступных местах; не нуждается в электричестве; имея под рукой баллон с газом, легко заправляется в любую минуту.
«Боевая готовность»:
- Электрический – среднее время нагревания жала составляет 3-5 минут;
- Газовый – готов к работе через 10-30 секунд;
Режимы работы:
- Электрический – дополнительную функцию регулировки рабочей температуры имеют только дорогостоящие модели;
- Газовые – любая модель имеет возможность регулировки пламени и несколько режимов: с использованием сменного жала, паять газовым паяльником можно при помощи тонкой струи разогретого воздуха, горелка.
Температура:
- Электрический – фактически все модели имеют рабочую температуру 450°С;
- Газовый – в зависимости от задач температура может регулироваться от 500 до 2000 °С.

Припой для пайки
Для соединения металлических элементов при помощи пайки вам понадобится использовать специальный припой, который изготавливается из сплава олова и свинца в различных пропорциях. В настоящее время в магазинах предлагается два вида припоя, выполненного в виде проволоки или небольших трубок, заполненных флюсом.
Предпочтение рекомендуется отдавать проволочному припою, который отличается легкостью в работе. Различают припой по твердости и температуре плавления. Так, например наибольшей популярностью сегодня пользуется припой с маркировкой ПОС-60. Сокращение ПОС означает припой оловянно-свинцовый.
Первый цифры в 60 говорят о процентном содержании олова в сплаве. Тогда в этом материале содержится 40 процентов свинца. Цвет припоя зависит от содержания свинца. Чем припой темнее, тем больше в нем содержится свинцовых включений. Для бытового использования рекомендуется приобретать припой марки ПОС-60, который отличается повышенной прочностью и имеет температуру плавления в 190 °С.
Вариант №1 – Используем резистор
Кто сказал, что сопротивление бесполезно? В нашем случае именно при помощи него мы создадим прибор, который будет работать с напряжением от 6 до 24 В. Для его изготовления нам понадобится:
- Резистор с параметрами: R=20 Ом, P= 7 Вт;
- Пластина из текстолита (с её помощью создаём держатель);
- 2 куска медной проволоки, с разным сечением. Тонкий прутик пригодится, если нужно будет использовать меньшее жало, более толстый, в свою очередь, должен соответствовать внутреннему диаметру резистора.
- 1 отделённое кольцо пружинки (в качестве элемента крепления), винт и шайба.
Порядок действий выглядит следующим образом:
С другой стороны (также торцевой) создаём отверстие по диаметру меньшего прута. Последний будет использоваться в качестве жала.
Согласно примеру (на фото), складываем детали между собой в общий механизм. Вставляем жало, доделываем крепёж, присоединяем шайбу и винт.
Из текстолитового полотна формируем ручку, на которой оставляем мини-отсек под провод и резистивный элемент. К месту, где находится доступ до нагревателя, подключаем шнур для включения в розетку.
Дополнительно подкручиваем узлы и проверяем прибор на работоспособность. Если всё было проделано правильно, и паяльник успешно работает, его можно применять для пайки стандартных радиоэлементов, а также простых микросхем. Миниатюрное изделие будет простым и удобным в эксплуатации.
Идея №1 – Используем резистор
Первая и наиболее простая технология изготовления электрического паяльника своими руками – с использованием мощного резистора. Устройство будет рассчитано на работу при напряжении от 6 до 24 Вольт, что позволит питать его от различных источников тока, и даже сделать переносной вариант, питающийся от автомобильного аккумулятора. Для того чтобы самостоятельно изготовить инструмент, Вам понадобятся следующие материалы:
Советский проволочный резистор (ПЭВ), покрытый керамической изоляцией сопротивлением 20 Ом и мощностью 7 Ватт. Можно выбирать компоненты и с другими характеристиками, в зависимости от того, на какую мощность вы хотите сделать паяльник и от какого напряжения планируется его питать. Вот простейшая формула для расчета: R = U²/P. Где R – сопротивление, измеряемое в Омах; U – напряжение, которым планируется питать паяльник, в Вольтах; P – желаемая мощность нагревателя в Ваттах. Эту деталь можно купить на рынке или в магазине радиодеталей, а также вытащить из старого советского прибора.
Текстолитовая или фанерная пластина для изготовления удобной ручки. Можно использовать и другие токонепроводящие материалы, которые смогут выдержать высокие температуры, например, некоторые виды пластика.
Два медных прутка различного сечения. Тот, который потолще, выбирается строго по внутреннему диаметру резистора. От этого будет зависеть качество передачи тепла от нагревательного элемента к жалу, а следовательно, и время нагрева, удобство работы. Второй должен быть тоньше, он будет выступать в качестве жала. С помощью напильника его нужно будет заточить под удобную вам форму. Основные типы жал представлены на картинке. Сразу же хотелось бы отметить, что самым удобным является вариант по типу плоской отвертки, так как на нем удобно переносить припой к месту работы, и возможно как пропаивать массивные контакты, так и выполнять тонкую работу.
Одно откушенное колечко пружинки (будет служить фиксатором), винтик и шайба. Все комплектующие Вы можете увидеть на фото ниже.
Чтобы самому сделать паяльник из резистора в домашних условиях, Вы должны выполнить следующие этапы:
В торце толстого медного прута нужно просверлить отверстие и прогнать резьбу под винтик с помощью метчика. Также необходимо вырезать канавку под фиксатор, которым в нашем случае является кольцо пружинки. Сделать это можно с помощью треугольного надфиля или ножовки по металлу.
- Со второго торца просверлите отверстие диаметром, как у тонкого прутка, который будет выступать в роли жала мини паяльника.
Все элементы стержня нужно собрать в одно целое, как показано на фото.
Резистор подготавливается для крепления жала паяльника, которое нужно вставить и зафиксировать сзади винтиком с шайбой.
Из текстолитовой или фанерной пластины нужно своими руками сделать удобную рукоятку с посадочным местом под резистор и провод. Для этого с помощью лобзика выпилите две одинаковые половины ручки и проделайте отверстия и углубления под винты и гайки.
К выводам нагревателя необходимо подключить шнур для питания. Его обязательно нужно прикрутить на винты, чтобы контакт был надежным.
Готовый самодельный паяльник скручивается и проверяется.
Обращаем Ваше внимание на то, что таким портативным пистолетом можно запросто паять микросхемы и даже сделать зарядное устройство для автомобильного аккумулятора своими руками. Работать он может не только от блока питания, но и от аккумулятора. На форумах мы встретили множество отзывов, где данный вариант самоделки подключали от прикуривателя на 12 Вольт, это также очень удобно!
На форумах мы встретили множество отзывов, где данный вариант самоделки подключали от прикуривателя на 12 Вольт, это также очень удобно!
Обратите внимание, что при первом включении все паяльники могут некоторое время дымить и вонять. Это нормально для любой модели, так как выгорают некоторые элементы лакокрасочного покрытия. Впоследствии это прекратится
Впоследствии это прекратится.
Выбор типа паяльника для работ по пайке изделий
Выбор типа инструмента зависит полностью от его мощностных и температурных характеристик и определяется условиями эксплуатации инструмента. Помимо этого на выбор типа инструмента оказывают влияние личные пристрастия человека, который планирует работать этим инструментом. Если планируется использование прибора в условиях отсутствия электроэнергии, то следует приобретать автономные модели инструмента. Такими моделями являются приборы, работающие от аккумуляторов или газовые. Термовоздушные и инфракрасные паяльные станции следует приобретать, если планируется выполнение работ по пайке электронных плат.
Приобретение импульсного паяльника обосновано в тех случаях, когда требуется сэкономить время и нет желания ожидать пока обычных паяльник с нагревательным элементом разогреется до рабочей температуры.
http:
Мощность приобретаемого инструмента следует подбирать в зависимости от выполняемых работ. Так, например, для выполнения работы связанной с пайкой компонентов электронных плат лучше всего подойдет инструмент имеющий мощность около 25 Вт. Более мощным инструментом следует пользоваться при проведении более объемных жестяных работ, связанных с процессом пайки.
Особенности классификации паяльного оборудования
В зависимости от назначения паяльной станции, ее комплектация может включать устройства для проведения узкоспециализированных операций.
Именно комплектационный набор определяет, в конечном счете, классификацию оборудования для пайки.
Паяльная станция бывает:
термовоздушной — этот вид устройств оборудован феном и предусматривает пайку горячим воздухом;
индукционной — представляет собой миниатюрное, но очень мощное и выносливое устройство;
импульсной — применяется для монтажа и демонтажа любой современной схемы;
инфракрасной — наряду с газовыми паяльниками это лучшая возможность самостоятельно отремонтировать мобильный телефон или планшет.
У аналоговых станций температура стабилизируется следующим образом:
- Нагревательный элемент работает, пока сердечник паяльника не нагреется до определенной температуры, далее питание отключается.
- При снижении температуры ниже определенной границы нагревательный элемент подключается и начинает нагревать жало паяльника.
За функционированием паяльника следит электромагнитное реле, которым управляет электроника и термодатчик. Преимуществом аналоговой управляющей системы паяльной станции является низкая стоимость. Недостатком является низкая точность работы, приводящая к чрезмерному нагреву жала паяльника. Отсюда возникают другие проблемы: перегрев радиодеталей, частая смена жала.
Цифровая станция пайки работает за счет управления нагревателем с помощью PID-регулятора, который управляется с помощью программы, заложенной в микроконтроллере. Цифровой способ контроля значительно точнее аналогового.
Индукционные устройства
В этом виде паяльной станции жало паяльника нагревается за счет индукционной импульсной катушки, действующей от колебаний высокой частоты, которые образуют в покрытии из ферромагнетика вихревые токи. Нагревание осуществляется до температуры, называемой точкой Кюри. После этого магнитные свойства ферромагнетика меняются и нагрев прекращается.
Бесконтактные станции
Такие устройства используются для ремонтных и демонтажных работ со схемами, а также для замены микросхем с большим количеством выводов.
Бесконтактная станция для пайки бывает инфракрасной, термовоздушной или комбинированной, в зависимости от принципа работы.
Инфракрасная станция включает в себя нагревательный элемент в виде инфракрасного керамического или кварцевого излучателя. По сравнению с термовоздушными паяльными станциями у инфракрасных станций есть свои достоинства: -разрешается работа со сложнопрофильными компонентами; — не нужно искать насадку для фена под определенную микросхему; — радиодетали во время пайки не сдуваются воздухом с платы; — равномерное нагревание места пайки.Стоит отметить, что инфракрасные станции имеют высокую стоимость, и являются профессиональным оборудованием. Начинающими любителями радиоэлектроники они применяются редко.
Паяльная станция с феном (термовоздушная). Контактные станции являются монтажными, а для демонтажа радиодеталей с большим числом выводов, как микросхемы, они не подходят. Для этого применяется специальное оборудование с термофеном. В отсутствии такого оборудования радиолюбители иногда используют промышленный фен или газовую горелку. Но это не профессиональный инструмент, который не позволяет добиться хорошего качества работы. Слишком мощная струя воздуха может сдуть радиодетали с платы. Поэтому лучше применять специально предназначенное для этого оборудование.Изображенная модель станции оснащена цифровыми контроллерами. Такое оборудование стоит больше простых моделей. Чаще всего фены комплектуются регулирующими поток воздуха насадками.
Комбинированные паяльные станции сочетают в своем устройстве другие виды оборудования, например, термофен и паяльник.
Демонтажные станции
В конструкцию этого вида оборудования входит компрессор, действующий на всасывание. Нагретый припой с поверхности всасывается в отдельную емкость.
- Лампы для подсветки.
- Дымоуловители.
- Демонтажные пистолеты.
- Вакуумные пинцеты.
- Тепловые излучатели для разогрева монтажной платы.
- Фен для локального нагрева.
- Термопинцет для установки и демонтажа миниатюрных деталей.
Технология пайки паяльником
Профессионалы, занимающиеся паяльными работами весь рабочий день, применяют паяльные станции — достаточно сложный агрегат, позволяющий тонко настраивать режимы процесса. Домашний мастер обходится парой электропаяльников разной мощности.
https://youtube.com/watch?v=MKZBAqnGoZ4
Технологический процесс состоит из следующих основных операций:
- Подготовка поверхностей.
- Обработка поверхностей флюсом или лужение.
- Нагрев соединяемых предметов.
- Внесение припоя в рабочую зону.
- Прекращение нагрева и затвердевание.
- Проверка качества соединения.
Перечень операций выглядит коротким и простым, но в каждой из них скрываются свои подводные камни.
BGA QUICK IR2005
Данное универсальное решение, паяльной ремонтной станции IR2005 от производителя QUICK является очень компактным, и высокоточным для осуществления инфракрасной пайки, монтажа и демонтажа, а также контактной пайки и демонтажа при помощи паяльной станции с индукционным нагревом. Станция является законченным решением решение, как для производственных нужд, так и для ремонта современной электроники и устройств с высокой плотностью монтажа элементов на печатной плате (компьютеры , мобильные телефоны, периферия). Станция имеет как и многие другие, 10 термопрофилей, любой из которых при возникновении необходимости можно перепрограммировать, за счет чего будет сэкономлено время на монтаж и демонтаж различных типов компонентов. Станция имеет систему управления апертурой верхнего ИК излучателя, что позволяет точно устанавливать площадь основного прогрева, т.е. осуществлять прогрев только нужного компонента или группы компонентов, при этом остальные компоненты интенсивному разогреву не подвергаются, это предупреждает их возможную деградацию. Станция пригодна для высокотемпературной пайки (например, для пайки без использования свинца), а также для работы с платами, обладающими большой теплоемкостью.
Основные функции:
• Программируемая система управления параметрами пайки, память на 10 режимов, пароль • Два инфракрасных излучателя: нижний (135?250mm) и верхний (60?60mm) с регулируемой по осям X и Y апертурой 20~60mm • Высокая мощность ИК излучателей: верхний 120W?6=720W, нижний 400W?2=800W • Нагрев на длинах волн 2-8µm • Максимальный размер печатной платы для монтажа: 300mm?300mm • Микропроцессорное управление и ультрамалоинерционные нагреватели обеспечивают максимальную термостабильность • Инфракрасный температурный датчик: 0…300°C • Лазерный светодиодный указатель для подсветки точки в центре рабочей зоны • Встроенный модуль контактной пайки и выпаивания с микропроцессорным управлением и паяльником с индукционным нагревом, мощностью 60W • Универсальная рамка-держатель для миниатюрных и сложнопрофильных плат, в комплекте • Программное обеспечение IRSoft, в комплекте • Вентиляторы верхнего и нижнего охлаждения, в комплекте • Устройство прецизионной установки микросхем PL2005 (опция) • Камера RPC2005 для визуальной инспекции пайки с разрешением 480 линий, PAL, и светодиодной подсветкой с регулируемой яркостью (опция)
Инфракрасная ремонтная паяльная станция

























































